Правильный подход в принятии нестандартных решений, сделало моторы надёжными, а применение изобретателями ряда технических приёмов – узнаваемыми. К таким характеристикам относится порядок работы цилиндров КамАЗ.
На первый взгляд, показатель не значителен. Однако, детальное изучение вопроса, вносит ясность и понимание, что конструкция установки основана на том, какой порядок работы цилиндров двигателя КамАЗ. Разберёмся в характеристике детально.
КамАЗ 44108:
Описание цилиндров КамАЗ
Последовательное чередование тактов в камерах двигателя, представляет собой порядок работы цилиндров КамАЗ 740 и других модификаций. При расчёте этого показателя уделяется внимание характеристикам, присущим блоку, а так же конструктивным особенностям детали, преобразующей усилие от шатунов в крутящий момент и детали, управляющей открытием и закрытием клапанов впуска и выпуска.
Блок КамАЗ:
Так, силовой агрегат КамАЗ с V-образной компоновкой блока. Конструктивная особенность остова, сдвиг левого ряда поршней относительно правого на 29,5 миллиметра. Такое расположение обусловлено креплением двух шатунов на одной шейке, действие деталей направлено в противоположные стороны. Таким образом, порядок действия цилиндров КамАЗ происходит по схеме 1х5х4х2х6х3х7х8.
Конструкция коленчатого вала, упрощает изделие технологически, и одновременно увеличивает коэффициент полезного действия силовой установки. Вал укорочен, рассчитан на восемь поршней, которые крепятся к кривошипам, крепящимся на 4-х шейках. Слаженность механизма распределения газов, клапанов и кривошипов увеличивает потенциал мотора.
Устранение неисправностей
При работе на сложных участках владельцам Камазов приходится оперативно решать вопросы замены вышедших из строя компонентов. В сети доступны видео материалы о замене своими руками ламп и предохранителей, однако не даются советы о мерах безопасности.
Электропроводка для приборной панели автомобиля Камаз
В частности, при работающем двигателе:
- Нельзя подсоединять или отсоединять штепсельные разъемы на генераторной установке;
- Нельзя отсоединять или подсоединять плюсовой вывод аккумуляторной батареи;
- Нельзя запускать двигатель при отсоединенном плюсовом выводе от генератора.
Совет: хотя цена на соединительные компоненты не велика, следует всячески беречь штекерные соединения во избежание их ослабления. Не стоит без надобности их шевелить и тем более рассоединять без особой надобности. Это может привести к нарушению контактов.
При обслуживании разъемов следует использовать токопроводящую смазку Литол-24 (ГОСТ 21150-87). Она защитит соединения от влаги и пересыхания.
Также следует соблюдать меры безопасности и при поиске неисправностей:
- Категорически запрещается проверять исправность работы генератора путем замыкания выводов – «плюс», «О» и «В»;
- Запрещается устанавливать перемычку на массу на выводах и между собой;
- Запрещается замыкать вывод «Ш» щеткодержателя с плюсовыми выводами генератора через техническое окно в кожухе. Несоблюдение этого приведет к выходу из строя регулятора напряжения.
Расположение цилиндров Камаз
Правильное понимание принципа работы силовой установки зависит от того, какая нумерация цилиндров КамАЗ. Эта процедура утверждена Европейским регламентом. Согласно договорённостям, производитель обязан маркировать камеры выпускаемой продукции, начиная с правой передней. Зная, где находится первый цилиндр на КамАЗе, его называют главным, регулируются клапана.
Расположение цилиндров КамАЗ 740 схема:
Форсунки, подающие заряд смеси в объём камеры, маркируются в паре с обслуживаемым цилиндром. Основной распылитель крепится к основному цилиндру. Маркировка КамАЗ 740 проводится в следующем порядке: правая линия камер – с первой по четвёртую; левая линия камер – с пятой по восьмую. Отсчёт в рядах ведётся от передней части машины. Эта информация пригодится при настройке мотора, в случае, если произведена замена топливной помпы. Регулировка впрыска рабочей смеси в камеру без этой информации невозможна. Кроме того, показатель влияет на настройку механизма распределения газов.
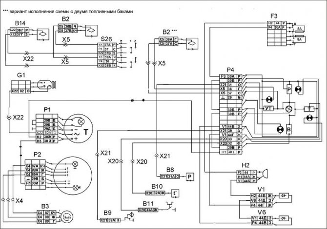
Общие схемы для всех модификаций
Несмотря на различия в конструкции электросетей и электрооборудования, проводка Камаз имеет и взаимозаменяемые схемы.
В частности:
- у автомобилей Камаз общая схема стеклоомывателей и стеклоочистителей (фото представлено ниже);
- общая для всех модификаций и электрическая часть системы отопления;
- единая для всех система звуковой сигнализации.
Функциональная схема общих для всех электрических сетей
Есть незначительные отличия в схеме работы контрольно-измерительных приборов.
В частности, модификация с двумя топливными баками имеет:
- второй датчик уровня топлива в баке;
- дополнительная проводка от бака к кабине;
- на панели приборов присутствует индикатор уровня с сигнальной лампой;
Электрическая схема контрольно-измерительных приборов автомобиля Камаз
- дополнительный тугоплавкий предохранитель в отсеке;
- иной формы штекерный разъем в проводке под панелью приборов в кабине.
Подготовка автомобиля
Машина, над которой проводятся манипуляции, размещается на ровной поверхности. Водительская кабина откидывается и фиксируется. Демонтируется верхняя часть механизма распределения газов, отключается помпа.
КамАЗ 43118:
Приборы:
- Ключи: рожковый на 13, кольцевой на 14;
- Отвёртки;
- Стальной стержень;
- Комплект измерительных пластин.
Фиксация поршня основной камеры вверху
- Проконтролировать, силу фиксации крепления головок камер;
- Устройство стопора маховика переместить вниз;
- Демонтируйте защитную пластину кожуха маховика;
- Стальной стержень введите в отверстие маховика, поворачивайте по часовой стрелке до стопора изделия.Положение – начало впрыска смеси (цилиндр первый).
Фиксатор маховика, двигатель КамАЗ:
Настройка зазоров
- Проверните маховик (2 отверстия – 60°, каждое по 30°);
- Настройте промежутки первой пары камер (1-я и 5-я). Кольцевым ключом на 14 отпустите гайки
- регулировочных винтов. Пластиной 0,3 отрегулируйте клапан впуска, пластиной 0,4 – выпуска.
- Зафиксируйте гайку, усилие 33-41 Нм.
- Настройте промежутки в камерах с первой по восьмую.
Настройка клапанов КамАЗ 740, 6520, 5511 и других модификаций:
- 180 градусов – 4-я, 2-я;
- 180 градусов – 6-я, 3-я;
- 180 градусов – 7-я, 8-я.
Регулировка зазоров КамАЗ:
Система питания топливом
СИСТЕМА ПИТАНИЯ ТОПЛИВОМ
Система питания топливом обеспечивает фильтрацию топлива и равномерное распределение его по цилиндрам двигателя дозированными порциями в строго определенные моменты.
Рисунок 42. Система питания двигателя топливом: 1 — 8 — топливопроводы высокого давления; 9 — трубка топливная дренажная форсунок левых головок; 10 — форсунка; 11 — трубка топливная дренажная форсунок правых головок; 12 — трубка топливная отводящая ТНВД; 13 — трубка топливная отводящая; 14 — трубка топливная подводящая ТНВД; 15 — клапан электромагнитный ЭФУ; 16 — фильтр тонкой очистки топлива; 17 — свеча ЭФУ; 18 — насос топливоподкачиваюший; 19 — трубка топливная к электромагнитному клапану; 20 — трубка топливная от электромагнитного клапана к свечам ЭФУ; 21 — ТНВД; 22 — тройник; 23 — клапан; 24 — клапан перепускной ТНВД; 25 — цилиндр пневматический останова двигателя; 26 — топливный бак; 27 — заправочная горловина с сетчатым фильтром; 28 — топливозаборная трубка с сетчатым фильтром; 29 — фильтр грубой очистки топлива;30 — топливопрокачивающий насос.
На двигателе применена система питания топливом разделенного типа, состоящая из топливного бака, топливопроводов низкого давления, фильтров грубой и тонкой очистки топлива, топливопрокачивающего и топливоподкачивающего насосов, топливного насоса высокого давления (ТНВД) с электромагнитом останова, топливопроводов высокого давления, форсунок, электромагнитного клапана и штифтовых свечей электрофакелыюго устройства (ЭФУ).
Топливный бак, фильтр грубой очистки топлива и топливопрокачивающий насос должны быть установлены на изделии, на котором применяется двигатель, все остальные элементы системы питания установлены непосредственно на двигателе.
Схема системы питания двигателя топливом показана на рисунке 42.
Топливо из топливного бака 26 через фильтр грубой очистки 29 и топливопрокачивающий насос 30 подаётся топливоподкачивающим насосом 18, по топливной трубке 13 в фильтр тонкой очистки 16. Из фильтра тонкой очистки, по топливной трубке низкого давления 14 топливо поступает в ТНВД 21, который в соответствии с порядком работы цилиндров распределяет топливо по топливопроводам 1-8 высокого давления к форсункам 10. Форсунки впрыскивают топливо в камеры сгорания. Избыточное топливо, а вместе с ним попавший в систему воздух через перепускной клапан 24 и клапан 23 отводится в топливный бак.
Рисунок 43. Форсунка: 1 — корпус распылителя; 2 — гайка распылителя; 3 — проставка; 4 — штифты; 5 — штанга форсунки; 6 — корпус форсунки; 7 — уплотнительное кольцо; 8 — штуцер форсунки; 9, 10 — регулировочные шайбы; 11 — пружина форсунки; 12 — игла распылителя; 13 — щелевой фильтр.
Форсунка типа 273 закрытой конструкции, с пятью распыливающими отверстиями и гидравлическим управлением подъема иглы распылителя показана на рисунке 43. Все детали форсунки собраны в корпусе 6. К нижнему торцу корпуса форсунки гайкой 2 через проставку 3 прижат корпус 1 распылителя, внутри которого находится игла 12. Корпус и игла распылителя составляют прецизионную пару. Угловая фиксация корпуса распылителя относительно проставки и проставки относительно корпуса форсунки осуществлена штифтами 4. На верхний конец иглы распылителя через штангу 5 оказывает давление пружина 11. Необходимое натяжение этой пружины осуществляется набором регулировочных шайб 9, 10, устанавливаемых между пружиной и торцом внутренней полости корпуса форсунки.
Топливо к форсунке подается под высоким давлением через штуцер 8 со встроенным в него щелевым фильтром 13, далее по каналам корпуса 6, проставки 3 и корпуса распылителя 1 — в полость между корпусом распылителя и иглой 12 и, поднимая её, впрыскивается в цилиндр двигателя.
Просочившееся через зазор между иглой и корпусом распылителя топливо отводится по каналам в корпусе форсунки и сливается в бак через дренажные трубки 9 и 11, показанные на рисунке 42. Форсунка установлена в головке цилиндра, зафиксирована скобами, которые закреплены гайкой. Торец гайки распылителя уплотнен от прорыва газов гофрированной медной прокладкой. Уплотнительное кольцо 7 (рисунок 43) предохраняет от попадания пыли и жидкостей полость между форсункой и головкой цилиндра.
ВНИМАНИЕ!
Проверку и регулировку форсунок, а также замену распылителей необходимо проводить в специализированной мастерской.
Категорически запрещается установка форсунок других моделей, кроме указанных в инструкции, ввиду возможности выхода из строя двигателя.
Топливный насос высокого давления (рисунок 44), предназначен для подачи в цилиндры двигателя в определенные моменты строго дозированных порций топлива под высоким давлением.
На двигатель автомобильной комплектации устанавливается ТНВД модели 337-20 со всережимным регулятором.
На двигатель автобусной комплектации устанавливается ТНВД модели 337-71 с двухрежимным регулятором.
Диаметр плунжера ТНВД — 11 мм, ход плунжера — 13 мм, нагнетательный клапан — грибковый, перьевой диаметром 7 мм без разгрузки.
В корпусе ТНВД 1 установлены восемь секций, состоящих из корпуса 6, втулки плунжера 8, плунжера 7, поворотной втулки 4, нагнетательного клапана 11 с седлом 10, прижатым к втулке плунжера штуцером 12. Плунжер совершает возвратно-поступательное движение под действием кулачка вала 46 и пружины 3 толкателя. Толкатель 2 от проворачивания в корпусе зафиксирован сухарём 14. Кулачковый вал вращается в роликовых подшипниках 45. Наружные обоймы подшипников установлены в запрессованные в корпус насоса стальные кольца. От осевого перемещения кулачковый вал зафиксирован крышками. Натяг подшипников кулачкового вала регулируется прокладками 44 и должен составлять 0,05…0,15 мм.
Для изменения подачи топлива плунжер 7 поворачивается с помощью втулки 4, соединенной через ось поводка с рейкой 5 насоса. Рейка перемещается в направляющих втулках 40. Отверстия под направляющие втулки в корпусе ТНВД со стороны привода закрыты пробками 39. С противоположной стороны насоса на задней крышке 20 регулятора расположен корректор подачи топлива по давлению наддувочного воздуха 24.
На переднем торце корпуса, в месте выхода топлива из насоса, установлен перепускной клапан 38, который обеспечивает давление перед впускными отверстиями плунжеров на рабочих режимах 0,13…0,19 МПа (1,3… 1,9 кгс/см). Смазывание насоса циркуляционное, под давлением от общей смазочной системы двигателя.
Рисунок 44. Топливный насос высокого давления (ТНВД 337-20) с топливоподкачивающим насосом:1- корпус ТНВД; 2 — толкатель; 3 — пружина толкателя; 4 — поворотная втулка; 5 — рейка; 6 — корпус секции ТНВД; 7 — плунжер; 8 — втулка плунжера; 9 — кольцо уплотнительное; 10 — седло нагнетательного клапана; 11- клапан нагнетательный; 12 — штуцер; 13 — насос топливоподкачивающий; 14 — сухарь; 15 — толкатель; 16 — шестерня регулятора ведущая; 17 — сухарь ведущей шестерни; 18 — фланец ведущей шестерни; 19 — эксцентрик топливоподкачивающего насоса; 20 — крышка регулятора задняя; 21 — крышка регулятора промежуточная; 22 — подшипник шестерни регулятора промежуточный; 23 — винт регулировки цикловой подачи топлива; 24 — корректор подачи топлива по давлению наддувочного воздуха; 25 — подшипник крышки регулятора; 26, 44 — регулировочные прокладки; 27 — подшипник державки грузов; 28 — державка грузов; 29 — ось грузов; 30 — упорный подшипник муфты регулятора; 31 — груз; 32 — муфта регулятора; 33 — возвратная пружина рычага останова; 34 — палец; 35 — прямой корректор; 36 — верхняя крышка регулятора; 37 — рычаг пружины регулятора; 38 — перепускной клапан; 39 — пробка рейки; 40 — втулка рейки; 41 — манжета; 42 — фланец ведомой полумуфты; 43 — полумуфта ведомая; 45 — подшипник кулачкового вала; 46 — кулачковый вал; 47 — втулка штока; 48 — шток толкателя; 49 — ролик.
Регулятор частоты вращения ТНВД мод. 337-20 (рисунок 45) всережимный, прямого действия, изменяет количество топлива, подаваемого в цилиндры в зависимости от нагрузки, поддерживая заданную частоту вращения коленчатого вала.
Рисунок 45. Регулятор ТНВД (вид сверху): 1- корректор подачи топлива по давлению наддувочного воздуха; 2 — рычаг рейки; 3, 11 — рейки; 4 — рычаг стартовой пружины; 5 — главная пружина регулятора; 6 — стартовая пружина; 7 — рычаг реек; 8 — рычаг регулятора; 9 — рычаг муфты грузов; 10 — ось; 12 — обратный корректор; 13 — винт регулировки цикловой подачи топлива; 14 — штифт.
Регулятор установлен в развале корпуса ТНВД, На кулачковом валу насоса установлена шестерня регулятора ведущая 16 (рисунок 44), вращение которой передается через резиновые сухари 17. Ведомая шестерня выполнена заодно с державкой 28 грузов, вращающейся на двух шариковых подшипниках. При вращении державки грузы 31, качающиеся на осях 29, под действием центробежных сил расходятся и через упорный подшипник 30 перемещают муфту 32 регулятора, которая, упираясь в палец 34, в свою очередь, перемещает рычаги 2, 8 и 9 регулятора (рисунок 45), преодолевая усилие пружины 5. Рычаг 2 через штифт соединен с правой рейкой 3 топливного насоса. Правая рейка через рычаг реек 7 связана с левой рейкой 11.
Схема работы регулятора частоты вращения показана на рисунке 46.
Рнсунок 46. Схема работы регулятора частоты вращения: 1 — рейка ТНВД; 2 — рычаг муфты грузов; 3 — пружина обратного корректора; 4 — рычаг рейки; 5 — державка грузов; 6 — регулировочный болт подачи топлива; 7 — корректор подачи топлива по давлению наддувочного топлива; 8 — мембрана; 9 — рычаг регулятора; 10 — пружина прямого корректора; 11 — рычаг реек; 12 — рычаг пружины; 13 — пружина регулятора; 14 — рычаг стартовой пружины; 15 — стартовая пружина; 16 — рычаг управления регулятором.
Рычаг 16 управления регулятором жестко связан с рычагом 12. К рычагу 12 присоединена пружина 13 регулятора, а к рычагам 14 и 11 — стартовая пружина 15.
Во время работы регулятора центробежные силы грузов уравновешены усилием пружины 13. При увеличении частоты вращения коленчатого вала грузы, преодолевая сопротивление пружины 13, перемещают рычаги 2, 4 и 9, а вместе с ними и рейки ТНВД — подача топлива уменьшается. При понижении частоты вращения коленчатого вала центробежная сила грузов уменьшается, и рычаги с рейкой ТНВД под действием усилия пружины перемещаются в обратном направлении — подача топлива и частота вращения коленчатого вала увеличиваются.
При упоре рычага 9 регулятора в болт 6 и частоте вращения коленчатого вала менее 1800 мин-1 пружина 10 прямого корректора перемещает рейки насоса (через рычаги 2 и 4) в сторону увеличения подачи топлива, обеспечивая требуемую величину максимального крутящего момента двигателя.
Пружина 3 обратного корректора при частоте вращения менее 1400 мин-1 перемещает рычаг 4 с рейками в сторону уменьшения подачи топлива, ограничивая максимальную дымность отработавших газов двигателя.
Подача топлива прекращается поворотом рычага 3 (рисунок 47) останова двигателя до упора в болт 5. Поворот рычага осуществляется усилием встроенной в электромагнит останова двигателя 6 пружины при отключении удерживающей обмотки электромагнита от источника питания (ключ замка выключателя приборов и стартера в фиксированном положении «0»). При этом рычаг 3, преодолев усилия пружин 33 (рисунок 44) и 5 (рисунок 45), через штифт 14 повернет рычаги 2, 9 и 8, рейки переместятся до полного прекращения подачи топлива.
Рисунок 47. Крышка регулятора ТНВД: 1 — рычаг управления регулятором; 2 — болт ограничения минимальной частоты вращения; 3 — рычаг останова двигателя; 4 — болт регулировки пусковой подачи; 5 — болт ограничения хода рычага останова; 6 — цилиндр пневматический останова двигателя; 7 — болт ограничения максимальной частоты вращения.
При повороте ключа замка выключателя приборов и стартера в фиксированное положение «I» подается питание на удерживающую обмотку электромагнита останова, а при дальнейшем повороте ключа в нефиксированное положение «II» питание подается и на втягивающую обмотку электромагнита, шток электромагнита, преодолевая усилие собственной пружины, выдвигается и освобождает рычаг 3 (рисунок 47). Рычаг 3 под действием пружины 33 (рисунок 44) возвращается в рабочее положение, а стартовая пружина 6 (рисунок 45) через рычаг реек 7 вернет рейки ТНВД в положение, соответствующее максимальной подаче топлива, необходимой для пуска двигателя. При переводе ключа замка выключателя приборов и стартера из нефиксированного положения «II» в фиксированное положение «I» втягивающая обмотка электромагнита отключается от источника питания и шток электромагнита останова остается в рабочем положении только за счет удерживающей обмотки.
ВНИМАНИЕ!
Проверку и регулировку ТНВД, а также замену плунжерных пар, уплотнительных колец секций ТНВД необходимо проводить в специализированной мастерской квалифицированным специалистом.
КАТЕГОРИЧЕСКИ ЗАПРЕЩАЕТСЯ установка на двигатель 740.30-260 ТНВД других моделей во избежание ухудшения качества рабочего процесса двигателя, повышения токсичности и дымности отработавших газов, а также выхода двигателя из строя!
Корректор подачи топлива по давлению наддувочного воздуха (рисунок 48).
Рисунок 48. Корректор подачи топлива по давлению наддувочного воздуха:1 -корпус корректора; 2 — золотник корректора; 3 — кольцо упорное; 4 — прокладка корпуса мембраны; 5 — шайба; 6 — болт; 7 — пружина корректора; 8 — корпус мембраны; 9 — кольцо уплотнительное; 10 — гайка; 11- винт регулировочный; 12 — рычаг корректора; 13 — ось рычага; 14 — кольцо уплотнительное; 15 — винт регулировочный; 16 — гайка; 17 — втулка штока; 18 — гайка; 19 — шайба; 20 — болт; 21 — крышка мембраны; 22 — мембрана; 23 — тарелка; 24 — шток мембраны; 25 — тарелка пружины; 26 — поршень корректора; 27 — пружина поршня; 28 — гайка; 29 — шпилька; 30 — гайка; 31 — наконечник шпильки.
Корректор по давлению наддувочного воздуха уменьшает подачу топлива при снижении давления наддувочного воздуха ниже 40…45 кПа (0,4…0,45 кгс/см ), тем самым осуществляя тепловую защиту двигателя и ограничивая дымность отработавших газов. В корпусе корректора 1 установлен поршень 26 с золотником 2. На поршень действует пружина 27, зафиксированная тарелкой 25 и кольцом 3. В поршень завернута и законтрена гайкой 28 шпилька 29 с наконечником 31, являющимся номинальным упором в регуляторе. Наконечник контрится гайкой 30. На золотник 2 действует пружина 7, предварительное натяжение которой может меняться регулировочным винтом 11.
К корпусу корректора 1 через прокладку 4 прикреплен корпус мембраны 8. В него установлен узел мембраны со штоком (детали 24, 16, 17, 23, 22, 19, 18). Мембрана зажата между корпусом 8 и крышкой 21. В корпусе мембраны 8 на оси рычага 13 установлен рычаг корректора 12, поворот которого ограничен регулировочным винтом 15.
Корректор подачи топлива не прямого действия; при изменении давления наддувочного воздуха в полости мембраны меняется положение золотника, который, в свою очередь, определяет положение поршня корректора.
В полость «А» между корпусом корректора 1 и поршнем 26 через резьбовое отверстие и жиклер 0,7 мм в корпусе корректора (на рисунке не показаны) подается масло под давлением из системы смазки двигателя. Поршень иод действием этого давления, сжимая пружину 27, перемещается влево до тех пор, пока не откроются окна в поршне и золотнике и масло не пойдет на слив. При этом устанавливается постоянный расход масла через корректор. При изменении положения золотника поршень перемещается вслед за ним (следящая система).
Через резьбовое отверстие крышки 21 в полость мембраны подводится воздух из впускного коллектора двигателя. При снижении давления воздуха ниже 0,04 МПа (0,4 кгс/см ) усилие пружины корректора 7, действующей на золотник становится больше усилия, создаваемого давлением наддувочного воздуха на мембрану и передающегося через шток мембраны и рычаг корректора также на золотник. Золотник перемещается вправо до тех пор. пока не наступит равновесие сил, действующих на него. Вслед за золотником перемещается вправо и поршень со шпилькой 29 и наконечником 31, передвигая вправо упирающийся в него рычаг регулятора 8 (рисунок 45). Вслед за рычагом регулятора, под действием центробежных сил грузов, движутся рычаги 9, 2 и 7 с рейками насоса в сторону уменьшения подачи топлива.
Регулировка корректора. Корректор имеет две внешние регулировки — винты 11 и 15 (рисунок 48). Винтом 11 изменяется предварительное натяжение пружины корректора 7, при этом меняется начало срабатывания корректора. Если необходимо увеличить значение давления наддувочного воздуха, при котором начинает срабатывать корректор, то винт 11 заворачивают, увеличивая предварительное натяжение пружины 7.
Винтом 15 регулируется номинальная цикловая подача топлива. При выворачивании винта 15 подача топлива увеличивается.
Если возникла необходимость в снятии корректора, то предварительно необходимо замерить выступание наконечника шпильки 31 относительно заднего торца корпуса ТНВД, а после установки корректора на место восстановить величину этого выступания и законтрить наконечник гайкой 30.
Привод ТНВД показан на рисунке 49. Он состоит из вала привода ТНВД 6 с пакетами передних 7 и задних 8 компенсирующих пластин, полумуфты ведомой 2, фланца ведомой полумуфты 3, фланца центрирующего 4, полумуфты ведущей 9 и центрирующих втулок 5. Каждый пакет компенсирующих пластин состоит из 5-ти пластин толщиной 0,5 мм каждая.
ВНИМАНИЕ!
Все болты в приводе ТНВД должны быть класса прочности R100 и затягиваться моментом 65..75 Н м (6,5…7,5 кгс м). Затяжку всех болтов необходимо проконтролировать динамометрическим ключом. Перед установкой болтов проверить наличие центрирующих втулок. Деформация (изгиб) передних и задних компенсирующих пластин не допускается. Стяжной болт 10 ведущей полумуфты должен затягиваться в последнюю очередь.
Фильтр тонкой очистки топлива показан на рисунке 50. Он предназначен для окончательной очистки топлива от мелких частиц перед поступлением в ТНВД. Фильтр установлен в самой высокой точке системы питания топливом для сбора и удаления в бак воздуха вместе с частью топлива через клапан (рисунок 51), установленный на перепуске из фильтра
ВНИМАНИЕ!
При замене фильтрующих элементов необходимо строго соблюдать правила обслуживания системы питания топливом. Не допускайте попадания загрязнений в систему и применяйте фильтрующие элементы только следующих моделей 740.1117040-01, 740.1117040-02, 740.1117040-04.
Рисунок 49. Привод ТНВД: 1 — корпус ТНВД; 2 — полумуфта ведомая; 3 — фланец ведомой полумуфты; 4 — фланец центрирующий; 5 — втулка центрирующая; 6 — вал привода; 7, 8,- пакет компенсирующих пластин; 9 — ведущая полумуфта; 10 — болт стяжной; 11 — шпонка; 12 — гайка; 13 — болт ведомой полумуфты.
Рисунок 50. Фильтртонкой очистки топлива: 1 — крышка; 2 — болт; 3- уплотнигельная шайба; 4 — пробка; 5, 6 — прокладки; 7 — фильтруюший элемент; 8 — колпак; 9 — пружина фильтрующего элемента; 10 — пробка сливного отверстия; 11 — стержень.
Клапан представлен на рисунке 51. При достижении давления в полости «А» подвода топлива 25.. .45 кПа (0,25…0,45 кгс/см ), происходит перемещение шарика 4 и перетекание топлива из полости «А» в полость «Б» через жиклер 5 клапана. При давлении 200 … 240 кПа (2. .2,4 кгс/см2) обеспечивается полное открытие клапана и перепуск топлива в топливный бак через полость «Б«.
Рисунок 51. Клапан: 1 — гайка; 2 — корпус клапана; 3 — пружина; 4 — шарик; 5 — жиклер; 6 — крышка фильтра тонкой очистки топлива.
Насос топливоподкачивающий 13 (рисунок 44) поршневого типа предназначен для подачи топлива от бака через фильтры грубой и тонкой очистки и гопливопрокачивающий насос к впускной полости ТНВД.
Насос установлен на задней крышке регулятора, привод его осуществляется от эксцентрика 19, расположенного на заднем конце кулачкового вала ТНВД . В корпусе насоса размещены поршень, пружина поршня, втулка штока 47 и шток 48 толкателя, впускной и нагнетательный клапаны с пружинами. Эксцентрик 19 через ролик 49, толкатель 15 и шток 48 сообщает поршню топливоподкачивающего насоса возвратно-поступательное движение.
Схема работы насоса показана на рисунке 52. При опускании толкателя 9 поршень 1 под действием пружины 4 движется вниз. В полости «А» создается разрежение и впускной клапан 2, сжимая пружину 3, пропускает топливо в полость «А». Одновременно топливо, находящееся в нагнетательной полости «В», вытесняется в магистраль «Г», при этом клапан 5 под действием пружины 6 закрывается, исключая перетекание топлива из полости «В» в полость «А».
При движении поршня 1 вверх, топливо, заполняющее полость «А», через нагнетательный клапан 5 поступает в полость «В» под поршнем, при этом впускной клапан закрывается. При повышении давления в наг нетательной магистрали поршень не совершает полного хода вслед за толкателем, а остается в положении, которое определяется равновесием силы давления топлива с одной стороны и усилия пружины — с другой.
Рисунок 52. Схема работы топливоподкачивающего и топливопрокачивающсго насосов: 1 — поршень; 2 — впускной клапан; 3, 6 — пружины клапанов; 4 — пружина поршня; 5 — нагнетательный клапан; 7 — пружина толкателя; 8 — эксцентрик; 9 — толкатель; 10 — топливопрокачивающий насос; 11 — поршень; 12 — впускной клапан; 13 — нагнетательный клапан; 14 — пружины.
Насос топливопрокачивающий 10 (рисунок 52) поршневого типа служит для заполнения топливной системы топливом перед пуском двигателя и удаления из нее воздуха.
Насос состоит из корпуса, поршня, цилиндра, впускного и нагнетательного клапанов.
Топливную систему следует прокачивать при помощи поршня насоса, предварительно расстопорив его поворотом против часовой стрелки.
При движении поршня 11 вверх в пространстве под ним создается разрежение. Впускной клапан 12, сжимая пружину 14, открывается и топливо поступает в полость «Д» насоса. При движении поршня вниз впускной клапан закрывается и открывается нагнетательный клапан 13, топливо под давлением поступает в нагнетательную магистраль, обеспечивая удаление воздуха из топливной системы двигателя через клапан ФТОТ и перепускной клапан ТНВД.
После прокачивания системы необходимо опустить поршень и зафиксировать его поворотом по часовой стрелке. При этом поршень прижмется к торцу цилиндра через резиновую прокладку, уплотнив полость всасывания топливопрокачивающего насоса.
ВНИМАНИЕ! Не допускается пускать двигатель при незафиксированном поршне ввиду возможности подсоса воздуха через уплотнение поршня.
Топливопроводы подразделяются на топливопроводы низкого давления — 0,4… 2 МПа (4…20 кгс/см ) и высокого давления более 20 МПа (200 кгс/см).
Топливопроводы низкого давления изготовлены из стальной трубы сечением 10 1 мм с паянными наконечниками.
Топливопроводы высокого давления равной длины (l=595 мм), изготовлены из стальных трубок внутренним диаметром 2+0,05 мм путем высадки на концах соединительных конусов с обжимными шайбами и накидными гайками для соединения со штуцерами ТНВД и форсунок.
Во избежание поломок от вибрации, топливопроводы закреплены скобами к впускным коллекторам.
Возможные неисправности в работе ТНВД и их ремонт
В топливном насосе двигателя Камаз 740 высокое давление создается за счет очень плотного прилегания поршня в цилиндре плунжерной пары. В случае какого либо нарушения этой плотности в топливной системе падает давление и двигатель вообще может не запуститься или работать не ровно, с перебоями. Длительную и безаварийную работы ТНВД в первую очередь обеспечивает качественное дизельное топливо. Для дизельных моторов это одно из главных условий успешной эксплуатации. Внимательно отнеситесь к выбору АЗС, на которой заправляетесь.
Для того, чтобы двигатель КАМАЗ и ТНВД работали исправно и долго своевременно проводите все необходимые регламентные работы по их техническому обслуживанию, а особое внимание стоит уделить замене топливных фильтров, как грубой, так и тонкой очистки. Старайтесь покупать оригинальные расходные материалы у официальных дилеров или в авторизированных сервисных центрах.
Как и у любого механизма у ТНВД есть свой ресурс, который он в любом случае со временем выработает. Но инженеры Камаза разработали ремонтопригодный агрегат, который можно восстановить, заменив изношенные детали. Но ремонтировать топливный насос высокого давления стоит на специализированных станциях, которые оборудованы стендом проверки топливной системы под давлением. Такое оборудование поможет выявить как явные, так и скрытые неисправности. После проведения ремонта ТНВД должен пройти ряд стендовых испытаний и точную настройку вместе топливными форсунками.
Основные причины выхода ТНВД из строя
- Вода в топливной системе. Причин появления воды в системе может быть несколько: некачественный или изношенный топливный фильтр; большой процент воды в дизельном топливе; нарушение герметичности топливопровода из-за чего образуется конденсат внутри на трубках.
- Механические примеси в топливе. Примеси могут появляться опять же из-за плохих топливных фильтров. Так же рекомендуется периодически проводить очистку топливного бака от образований парафина и т.п. отложений.
- Плохие смазывающие качества дизельного топлива. Причина этого может скрывать в применение не сертифицированных присадок. Не поддавайтесь рекламе и не добавляйте в топливо ничего лишнего, чего не рекомендует производитель.
- Не герметичный топливопровод. В этом случае идет постоянный подсос воздуха в систему, повышающий коэффициент трения в плунжерных парах, что приводит к их быстрому износу.
Самые часто встречающиеся неисправности
- Неравномерная подача топлива. Причина скорее всего кроется в поврежденной плунжерной паре. Так же рекомендуется проверить клапаны топливного насоса, а также работу форсунок.
- Повышенный расход топлива. Причина банальна – повреждения топливопровода.
- Запаздывает впрыск. Проблема может скрываться в регулировочном болте толкателя или в поврежденном кулачковом вале.
Видео, подробно описывающее работу топливной систему двигателя Камаз 740.
Регулировка подачи топлива
Назначение
Функциональное назначение ТНВД КамАЗов не отличается от стандартных топливных насосов высокого давления, используемых в дизельных двигателях. Оно состоит в решении нескольких ключевых задач:
· перемещение горючего к форсункам, соединенным с камерами сжигания;
· нагнетание давления топлива до уровня, необходимого для его самовоспламенения;
· дозировка дизельного топлива, обеспечивающая эффективность работы двигателя и максимально полное сжигание горючего;
· определение оптимального времени впрыска горючего в камеры сгорания;
· очистка горючего в процессе его транспортировки.
ТНВД любого дизельного двигателя имеет крайне важную роль для работы всего силового агрегата. Именно изобретение и постепенное совершенствование топливных насосов высокого давления привело к тому, что дизельные установки на дизельном топливе сначала успешно конкурировали, а затем и попросту стали превосходить двигатели, рассчитанные на использование бензина.
Важно отметить особенность, характерную именно для грузовых автомобилей, к классу которых относятся все модели КамАЗа. Речь идет о необходимости развивать серьезную мощность, совмещая ее с экономичностью и экологичностью в работе. Использование ТНВД и современной системы впрыска топлива Common Rail позволяет успешно решить поставленную задачу, что, наряду с доступной стоимостью, является важным конкурентным преимуществом продукции Камского автомобильного завода.
Как снять ТНВД
- отсоединить тросики ручного управления рычагом остановки двигателя и рычагом управления регулятором,
- снимите тягу управления подачей топлива,
- отсоедините все трубопроводы подвода топлива к насосу, отводящий и дренажный трубопроводы и трубопровод от фильтра тонкой очистки топлива,
- отсоедините трубку для подвода масла к насосу и, масло отводящую трубку,
- выкрутите стяжной болт переднего фланца ведущей полумуфты и два болта ведомой полумуфты (для того, чтобы выкручивать болты было удобно нужно провернуть коленвал через люк картера сцепления),
- отсоедините топливопроводы факельных свечей,
- снимите топливопроводы высокого давления,
- отсоедините трубку, которая подводит воздух к рабочему цилиндру вспомогательного тормоза,
- открутите четыре болта, которые крепят ТНВД,
- снимите собственно сам насос.
Порядок разборки
- вывернуть винты крепления задней крышки регулятора частоты вращения и снять крышку в сборе с насосом низкого давления;
- снять автоматическую муфту опережения впрыска топлива, используя приспособление И-801.16.000. Сначала отвернуть гайку 2 (рис. а) крепления муфты. Для этого вставить отвертку 4 в паз гайки и, удерживая муфту 1 от вращения, ключом 3 отвернуть гайку. Затем, вворачивая в муфту съемник 5 (рис. б), снять муфту;
Рис.2 – Снятие муфты
- распломбировать и вывернуть винты крепления защитных кожухов секций ТНВД и снять кожуха;
- распломбировать и вывернуть болты крепления верхней крышки регулятора и снять крышку;
- вынуть ось рычага регулятора и снять рычаг регулятора с рычагом муфты грузов, муфтой, пружиной регулятора и рычагом пружины;
- снять стопорное кольцо и державку грузов в сборе;
- вывернуть пробки реек, вынуть втулки реек, затем сами рейки, предварительно расстопорив их;
- отвернуть гайки крепления секций ТНВД, снять стопорные шайбы штуцеров секций и вынуть секции ТНВД и толкатели плунжеров;
- расшплинтовать и отвернуть гайки и, используя съемник И-801.26.000, снять эксцентрик привода насоса низкого давления, ведущую шестерню регулятора и промежуточную шестерню;
- снять второй подшипник с оси промежуточной шестерни;
- выбить шпонки с носка и хвостовика кулачкового вала, снять крышку заднего подшипника, вынуть кулачковый вал в сборе с подшипниками и снять крышку переднего подшипника;
- используя съемник И-801.30.000, снять подшипники с кулачкового вала;
- секции ТНВД и топливоподкачивающий насос низкого давления разобрать в приспособлении И-801.20.000. Для выпрессовки нагнетательного клапана секции ТНВД использовать приспособление И-801.21.000.
Устройство
На различных моделях КамАЗов применяются разные модификации ТНВД. В большинстве выпускаемых заводом грузовых автомобилей используются двухрядные V-образные ТНВД, состоящие из 8 секций, расположенных по четыре в ряд. Они относятся к топливным насосам непосредственного действия, принцип работы которых предполагает механическое взаимодействие непосредственно с коленчатым валом.
Устройство ТНВД КамАЗа предусматривает наличие следующих частей, деталей и узлов:
· корпус топливного насоса, внутри которого располагаются остальные элементы механизма;
· основной рабочий узел ТНВД в виде плунжерной пары, расположенной в каждой секции;
· пружины, обеспечивающие перемещение поршня внутри цилиндра и передающие энергию кулачкового механизма на толкатели плунжера;
· сами толкатели плунжера;
· штуцеры впрыска и слива топлива;
· клапан электромагнитного типа, предназначенный для перекрытия впрыска топлива;
· электронные датчики и приборы управления и контроля над работой ТНВД.
Именно разнообразная электроника обеспечивает высокий КПД системы впрыска топлива Common Rail и оснащенного ею дизельного двигателя в целом. Благодаря действию автоматики обеспечивается экономичный режим работы топливной системы, уменьшается расход горючего и достигается его максимально полное сжигание, сокращающее вредные выбросы в атмосферу. Сказанное в полной мере касается ТНВД КамАЗов, которые устанавливаются на грузовые автомобили выпускаемых в настоящее время моделей.



