Система смазки двигателя ВАЗ
Система смазки двигателя за счет подачи масла к трущимся поверхностям обеспечивает:
- уменьшение трения и повышение механического КПД двигателя;
- уменьшение износа трущихся деталей;
- охлаждение деталей двигателя;
- вынос продуктов износа из сопряжений деталей двигателя.
Система смазки двигателя ВАЗ — комбинированная, т.е. смазывание происходит одновременно двумя способами: под давлением и разбрызгиванием. При температуре масла 85 °С и частоте вращения коленвала 5600 мин-1, давление в системе смазки составляет от 3,5 до 4,5 кгс/см2. При минимальной частоте вращения коленчатого вала (от 850 до 900 мин-1) минимальное давление должно составлять не менее 0,5 кгс/см2. Вместимость системы смазки, включая масло в масляном фильтре, составляет 3,75 л.
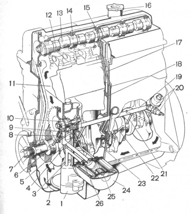
Рис. Схема системы смазки двигателя ВАЗ: 1 — масляный насос; 2 — масляный картер: 3 — канал подачи масла от насоса к фильтру; 4 — горизонтальный канал для подачи масла от фильтра в масляную магистраль; 5 — канал для подачи масла к шестерне привода масляного насоса и распределителя зажигания; 6 — канал в шейке коленчатого вала; 7 — передний сальник коленчатого вала; 8 — канал подачи масла от масляной магистрали к коренному подшипнику и к валику привода масляного насоса и распределителя зажигания; 9 — шестерня привода масляного насоса и распределителя зажигания; 10 — валик привода масляного насоса и распределителя зажигания; 11 — канал для стока масла; 12 — канал в кулачке распределительного вала; 13 — магистральный канал в распределительном валу; 14 — канал в опорной шейке коленчатого вала; 15 — кольцевая выточка на средней опорной шейке распределительного вала; 16 — крышка маслоналивной горловины; 17 — наклонный канал с головке цилиндров; 18 — вертикальный канал в блоке цилиндров; 19 — масляная магистраль; 20 — датчики давления и контрольной лампы давление масла; 21 — канал подачи масла к коренному подшипнику; 22 — канал подачи масла от коренного подшипника к шатунному; 23 — указатель уровня масла; 24 — масляный фильтр; 25 — перепускной клапан масляного фильтра; 26 — противодренажный клапан
Система смазки двигателя ВАЗ состоит из следующих элементов:
- масляный картер 2;
- указатель уровня масла 23;
- масляный насос 1;
- приемный патрубок насоса с мелкой фильтрующей сеткой;
- полнопоточный масляный фильтр 24;
- редукционный клапан;
- указатель давления масла;
- датчики 20 давления масла;
- контрольной лампы недостаточного давления масла в системе;
- каналы подвода масла.
Под давлением смазываются подшипники коленчатого и распределительного валов, подшипники вала привода вспомогательных агрегатов, подшипник шестерни привода масляного насоса и распределителя зажигания.
Разбрызгиванием смазываются стенки цилиндров, поршни с поршневыми кольцами, поршневые пальцы в бобышках поршня, цепь привода распределительного вала, опоры рычагов привода клапанов и стержни клапанов в направляющих втулках.
Циркуляция масла в системе обеспечивается масляным насосом. Насос засасывает масло из картера и по каналу 3 в блоке цилиндров подает его в полнопоточный фильтр 24. Очищенное масло из фильтра, через главную масляную магистраль 19 и каналы 21 в блоке цилиндров, поступает к коренным подшипникам и подшипникам вала привода вспомогательных агрегатов. От коренных подшипников масло через внутренние каналы 22 в коленчатом валу поступает к шатунным подшипникам. Часть масла через отверстия в нижних головках шатунов разбрызгивается и смазывает цилиндры и детали поршневой группы двигателя. Через каналы 17 и 18 в блоке и головке цилиндров, далее через магистральный канал 13 в распределительном валу масло подается к подшипникам и кулачкам вала. Цепь привода распределительного вала смазывается маслом, выходящим из передних опор распределительного вала и вала привода вспомогательных агрегатов.
На блоке цилиндров установлены датчик давления масла и датчик контрольной лампы недостаточного давления установлены. Датчики соединяются с главной масляной магистралью. В момент запуска двигателя зажигается контрольная лампа зажигается, поскольку давление масла в системе надостаточное. При работающем двигателе лампа должна гаснуть. В нектороых случаях лампа может гореть и при нагретом двигателе, когда он работает на малых частотах вращения коленчатого вала при холостом ходе.

Система смазки показана на рис. 2-68.
Замена масла
Заменять масло необходимо на горячем двигателе. Чтобы полностью слить масло, необходимо выждать не менее 10 мин после открытия сливного отверстия.
Рис. 2-68. Система смазки: 1 — масляный насос; 2 — масляный картер; 3 — канал подачи масла от насоса к фильтру; 4 — горизонтальный канал для подачи масла от фильтра в масляную магистраль; 5- канал для подачи масла к шестерне привода масляного насоса и распределителя зажигания; 6 — канал в шейке коленчатого вала; 7 — передний сальник коленчатого вала; 8 — канал подачи масла от масляной магистрали к коренному подшипнику и к валику привода масляного насоса и распределителя зажигания; 9 — шестерня привода масляного насоса и распределителя зажигания; 10- валик привода масляного насоса и распределителя зажигания; 11 — канал для стока масла; 12 — канал в кулачке распределительного вала; 13 — магистральный канал в распределительном вале; 14 — канал в опорной шейке распределительного вала; 15 — кольцевая выточка на средней опорной шейке распределительного вала; 16 — крышка маслоналивной горловины; 17- наклонный канал в головке цилиндров; 18 — вертикальный канал в блоке цилиндров; 19 — масляная магистраль; 20 — датчики давления и контрольной лампы давления масла; 21 — канал подачи масла к коренному подшипнику; 22 — канал подачи масла от коренного подшипника к шатунному; 23 — указатель уровня масла; 24 — масляный фильтр; 25 — перепускной клапан фильтра; 26 — противодренажный клапан фильтра.
Заменяя масло, следует заменять и масляный фильтр, который снимают с помощью приспособления А.60312 (см. рис. 2-4). При установке фильтр завертывайте вручную.
При замене масла выполните следующие операции:
— после остановки двигателя слейте отработавшее масло и, не снимая масляного фильтра, залейте промывочное масло ВНИИНП-ФД до отметки <�МШ> на указателе уровня масла (2,9 л);
— запустите двигатель и дайте ему поработать на этом масле 10 мин на минимальных оборотах холостого хода;
— полностью слейте промывочное масло и снимите старый масляный фильтр;
— поставьте новый фильтр и залейте масло, соответствующее сезону.
Масляный насос
Основные размеры насоса и его привода даны на рис. 2-69.
Рис. 2-69. Основные размеры масляного насоса и его привода.
Снятие и установка. Если необходим ремонт только масляного насоса, то установите автомобиль на осмотровую канаву или подъемник, отсоедините провода от аккумуляторной батареи и слейте масло из картера двигателя.
Снимите брызговик двигателя, отверните гайки крепления подушки передней подвески двигателя к поперечине и слегка приподнимите двигатель талью.
Отвернув болты крепления, снимите картер двигателя и масляный насос с приемным патрубком.
Операции по установке масляного насоса на двигатель выполняйте с последовательности, обратной снятию.
Разборка и сборка. Закрепите масляный насос осторожно в тисках, чтобы не повредить корпус, а затем:
— отверните болты и снимите приемный патрубок вместе с редукционным клапаном давления масла;
— снимите крышку 3 (рис. 2-70) корпуса насоса и выньте из корпуса валик насоса с ведущей шестерней и ведомую шестерню.
Рис. 2-70. Разборка масляного насоса: 1 — редукционный клапан; 2- пружина; 3- крышка; 4 — корпус; 5-валик.
Для сборки осторожно закрепите насос в тисках и выполните операции в следующем порядке:
— установите в корпус насоса ведущую шестерню с валом, а ведомую шестерню наденьте на ось в корпусе;
— установите крышку насоса, редукционный клапан с пружиной и прикрепите приемный патрубок к корпусу насоса.
Примечание. После сборки насоса при проворачивании ведущего валика рукой шестерни должны вращаться плавно и без заедания.
Проверка деталей насоса. После разборки все детали насоса промойте керосином или бензином, продуйте струей сжатого воздуха, а затем осмотрите корпус и крышку насоса; при наличии трещин детали замените. Промыть масляный насос можно в ультразвуковой ванне, моющим средством Фаворит Ультра.
Проверьте набором щупов зазоры между зубьями шестерен, а также между наружными диаметрами шестерен и стенками корпуса насоса (рис. 2-71), которые должны быть соответственно 0,15 мм (предельно допустимый 0,25 мм) и 0,11-0,18 мм (предельно допустимый 0,25 мм). Если зазоры превышают предельные значения, то замените шестерни, а при необходимости и корпус насоса.
Рис. 2-71. Проверка радиального зазора в масляном насосе.
Щупом и линейкой (рис. 2-72) проверьте зазор между торцами шестерен и плоскостью корпуса, который должен быть равен 0,66-0,161 мм (предельно допустимый 0,2 мм). Если зазор больше 0,2 мм, замените шестерни или корпус насоса в зависимости от того, что подверглось износу.
Измерив детали, определите зазор между ведомой шестерней и ее осью, который должен быть 0,017-0,057 мм (предельно допустимый 0,1 мм), а также между валом насоса и отверстием в корпусе, этот зазор должен быть 0,016-0,055 мм (предельно допустимый 0,1 мм). Если зазоры превышают предельные — замените изношенные детали.
Проверка редукционного клапана. При ремонте масляного насоса проверьте редукционный клапан. Обратите внимание на поверхности клапана и насоса, так как возможные загрязнения или отложения на сопрягаемых поверхностях могут привести к заеданию. На сопрягаемой поверхности клапана не может быть забоин и заусенцев, которые могут привести к уменьшению давления в системе.
Проверьте упругость пружины редукционного клапана, сравнивая полученные данные с приведенными на рисунке 2-73.
Рис. 2-72. Проверка осевого зазора в масляном насосе.
Рис. 2-73. Основные данные для проверки пружины редукционного клапана.
Проверка валика и шестерни привода масляного насоса.
На поверхностях опорных шеек валика и на рабочей поверхности эксцентрика не должно быть вмятин и рисок.
На зубьях шестерен привода масляного насоса и распределителя зажигания не допускаются выкрашивания, при таком дефекте замените валик и шестерню.
Проверка втулок валика привода масляного насоса. Проверьте внутренний диаметр втулок, их запрессовку в гнездах, а также совпадение смазочного отверстия в передней втулке с каналом в блоке цилиндров (проворачивание втулки). Внутренняя поверхность должна быть гладкой и без задиров.
Измерив диаметры валика и втулок, определите зазоры между Втулками и опорными поверхностями валика. Если зазор превышает 0,15 мм (предельный износ), а также при повреждении поверхностей втулок или ослаблении их запрессовки, замените втулки.
При замене пользуйтесь как для снятия, так и для установки оправкой А.60333/1/2 (рис. 2-74), соблюдая следующее:
— втулки должны быть запрессованы в гнезде, при этом отверстие для масла в передней втулке должно находиться против канала в блоке цилиндров;
— после запрессовки втулки должны быть окончательно обработаны и доведены по внутреннему диаметру (размеры даны на рис. 2-70). Чтобы обеспечить полную соосность втулок вала, для их доводки применяется развертка А.90353, которой одновременно обрабатываются обе втулки.
Рис. 2-74. Снятие и установка втулок валика привода масляного насоса: 1 — оправка А.60333/1/2
Проверка втулки шестерни привода масляного насоса. Внутренняя поверхность должна быть гладкой и без задиров, в противном случае втулку замените.
Для выпрессовки и запрессовки втулки пользуйтесь оправкой А.60326//? (рис. 2-75).
Рис. 2-75. Выпрессовка втулки шестерни привода масляного насоса и распределителя зажигания: 1 — оправка A. 60326/R
После запрессовки втулку разверните до диаметра 16,016- 16,037 мм.
Вентиляция картера двигателя
Промывка. Для промывки снимите шланги 4 и 8 (рис. 2-76) от патрубков вентиляции, выньте из шланга 4 пламегаситель 5, снимите крышку 3 сапуна и промойте их бензином или керосином.
Рис. 2-76. Схема вентиляции картера двигателя: А и В — работа золотникового устройства карбюратора при малой частоте вращения коленчатого вала (А) и при высокой (В). 1 — сливная трубка маслоотделителя; 2 — маслоотделитель; 3 — крышка сапуна; 4 — шланг отсоса газов; 5 — пламегаситель; 6 — вытяжной коллектор; 7 — фильтрующий элемент воздушного фильтра; 8-шланг отвода газов в задроссельное пространство карбюратора; 9 — ось дроссельной заслонки первичной камеры; 10 — золотник; 11 — канавка золотника; 12 — калиброванное отверстие.
Промывать также необходимо золотниковое устройство карбюратора, полости и патрубки воздушного фильтра, по которым проходят отсасываемые картерные газы.
Читать интересные статьи про автомобиль ВАЗ2106…
Масляный насос
В картере двигателя устанавливается шестеренчатый насос с маслоприемником и редукционным клапаном в крышке. Крепится насос к блоку цилиндров двумя болтами.
В корпусе насоса установлены шестерни: ведущая — неподвижно на валике насоса и ведомая — свободно на оси, запрессованной в корпус. Привод насоса осуществляется цепной передачей от звездочки коленчатого вала на звездочку вала привода вспомогательных агрегатов, который установлен в блоке цилиндров в сталеалюминиевых втулках. Валик имеет винтовую шестерню, находящуюся в зацеплении с шестерней привода масляного насоса и распределителя зажигания, которая вращается в металлокерамической втулке. На последних моделях автомобилей валик привода вспомогательных агрегатов устанавливается также в металлокерамических втулках.
Как отрегулировать давление?
Для того чтобы отрегулировать в магистралях давление, создаваемое насосом, необходимо выполнить такие манипуляции:
- Убедитесь в том, что в моторе масло качественное и уровень в норме.
- Проверьте привод масляного насоса ВАЗ-2106.
- Проверьте работу насоса. Обратите внимание на то, что нередко выходит из строя прокладка, а меняется она просто.
- Проверьте затяжку всех болтов насоса.
- Рекомендуется при каждой замене масла ставить новый фильтр. И обращайте внимание на то, какая у старого степень загрязнения.
Убедитесь, что сливная пробка закручена и масло через нее не протекает.
Теперь можно произвести настройку редукционного клапана, чтобы он срабатывал при определенном давлении. Шланги, по которым поступает в систему масло, должны быть герметичны.


Масляный фильтр
Фильтр полнопоточный, неразборный, навертывается на штуцер блока цилиндров и соединяется каналами с масляным насосом и главной масляной магистралью. Для снятия фильтра используется приспособление А.60312. При установке фильтр рекомендуется завертывать вручную без приспособления. В стальном корпусе фильтра установлен фильтрующий элемент из специального картона. Фильтр имеет противодренажный и перепускной клапаны. Противодренажный клапан не позволяет стекать маслу из системы при остановке двигателя, перепускной — перепускает масло при засорении фильтрующего элемента из насоса в главную масляную магистраль.
Вентиляция картера двигателя
Рис. Схема вентиляции картера двигателя автомобиля ВАЗ: 1 — трубка; 2 — маслоотделитель; 3 — крышка; 4 — шланги; 5 — пламегаситель; 6 — вытяжной коллектор; 7 — фильтрующий элемент; 8 — шланг; 9 — ось дроссельной заслонки; 10 — золотник; 11 — канавка золотника; 12 — калиброванное отверстие.
Вентиляция картера двигателя ВАЗ — принудительная, закрытая, не допускающая выделения картерных газов в атмосферу. Осуществляется за счет разрежения в цилиндрах двигателя.
Система вентиляции картера включает в себя:
- шланг 4;
- маслоотделитель 2;
- вытяжной коллектор 6, размещенный снизу воздушного фильтра.
Картерные газы при работе двигателя отсасываются в вытяжной коллектор через маслоотделитель 2 с крышкой 3, где масло отделяется и стекает вниз по трубке 1. В шланге 4 установлен пламегаситель 5, не допускающий прорыва пламени в картер при «хлопках» в карбюратор.
Из вытяжного коллектора газы далее могут проходить двумя путями:
- в воздушный фильтр, минуя фильтрующий элемент 7, и через карбюратор в цилиндры двигателя с горючей смесью;
- через шланг 8 в золотниковое устройство карбюратора и далее в задроссельное пространство карбюратора.
Золотниковое устройство регулирует режим отсоса картерных газов при различной частоте вращения коленчатого вала и состоит из золотника 10 на оси 9 дроссельной заслонки первой камеры и калиброванного отверстия 12. Золотник имеет канавку 11.
При малой частоте вращения коленчатого вала (при закрытых дроссельных заслонках) разрежение на входе в карбюратор незначительное, и основная масса газов отсасывается по шлангу 8 через калиброванное отверстие 12 в задроссельное пространство карбюратора. Калиброванное отверстие ограничивает количество отсасываемых газов, и вентиляция оказывает малое влияние на величину разрежения за дроссельной заслонкой.
С повышением частоты вращения коленчатого вала при открывании дроссельной заслонки золотник 10 поворачивается и открывает дополнительный путь для газов по канавке 11. Газы отсасываются как по шлангу 8, так и в воздушный фильтр. Общее количество отсасываемых газов увеличивается.
При высокой частоте вращения коленчатого вала (дроссельные заслонки открыты) основная масса газов отсасывается в воздушный фильтр в пространство за фильтрующим элементом.
Не нашли интересующую Вас информацию? на нашем форуме.
Достоинства и недостатки синтетических масел
Тут уже дело обстоит иначе. Самым огромным недостатком синтетики является высокая цена. Купить канистру синтетики обойдется не дешевле 1000 рублей, это всего за 4 литра. Выходит, что цена его практически втрое больше. Переходим к перечислению достоинств:
- Во-первых, более совершенное в плане технологии, позволяет сохранять состояние мотора продолжительное время без капитального ремонта. Достигается это, благодаря специальным присадкам, которые применяются для приготовления этого типа ГСМ.
Вывод — ресурс двигателя при использовании такой смазки повышается.
- Во-вторых, у вас не будет проблем с зимним стартом двигателя. Синтетика стойко переносит низкие температуры и не густеет, в отличие от минералки. Это относится и к коробке.Если его применять и в коробке, то зимний запуск никогда не доставит проблем. Рычаг коробки ходит значительно легче, мотор запускается без усилий и нагревается гораздо быстрее.
Бытует мнение среди владельцев авто, что после применения синтетического масла в двигателе ВАЗ 2106, начинают протекать сальники(см.Как заменить сальники) и вам приходится разбирать движок, чтобы все отремонтировать. Вроде бы такие масла попросту разъедают резинки сальников. Это полный бред на самом деле, слушать этаких умельцев не стоит, они просто забывают про вязкость смазки, которая должна быть не ниже 10W-40 (более жидкое, действительно может протечь через сальники). Обязательно, при смене типа смазки сделайте промывку мотора, чтобы не оставалось следов отработки.




