Автомобильная система зажигания
Конечно, в автомобиле ВАЗ-2109, да и в других моделях, каждая система очень важна, ведь она выполняет свое основное предназначение, а выход из строя любой системы просто не позволит машине осуществляет свои функции. Поэтому в своем автомобиле нужно наблюдать за каждой системой, и, конечно, за системой зажигания, без которой силовой узел не сможет работать. Автовладельцы не должны рассматривать систему зажигания как отдельную деталь, так как она состоит из нескольких достаточно сложных комплектующих, а одним из самых важных является коммутатор.
Довольно часто владельцы машин задаются вопросом: как можно проверить коммутатор ВАЗ-2109 и реально ли с этой задачей справиться самостоятельно? С этими вопросами мы и попробуем далее разобраться.


Назначение и особенности конструкции коммутатора
Коммутатор – это один из элементов электрического оборудования автомобиля. Его задача – обеспечение нормальной работы бесконтактной системы зажигания. Крепления узла производится в подкапотном пространстве.
Устройство отличается надежностью, способностью выдерживать серьезные вибрации и ударные нагрузки. Это очень важно, ведь в корпусе коммутатора находятся чувствительная к воздействиям электроника.
В основе коммутатора ВАЗ – стандартная микросхема L 497, которая производит управление транзистором «N-P-N» типа.
Особенность схемы – возможность программирования со стороны пользователя и установка необходимого коэффициента задержки. От корректности этого показателя напрямую зависит запуск холодного двигателя.
Благодаря четкой настройке, можно ускорить частоту вращения коленчатого вала (исключив при этом провалы в работе) и гарантировать качественную тягу силового узла.
К основным параметрам устройства можно отнести:
- Диапазон напряжений – от 6 до 16 Вольт;
- рабочий уровень напряжения – 13,5 Вольт;
- обеспечение бесперебойной искры при вращении коленвала в диапазоне от 20 до 7000 оборотов;
- ток коммутации – от 7,5 до 8,5 А.
Какие признаки укажут на неисправность коммутатора
Самый очевидный признак неисправности коммутатора – это потеря так называемой искры, а также перебои в работе двигателя, к примеру, он может начать плохо заводиться и быстро глохнуть даже после прогрева.
Менять коммутатор из-за потери искры сразу не рекомендуется, так как такую неисправность порой вызывают и другие автомобильные комплектующие, которые выходят из строя:
- датчик Холла;
- разрыв ремня ГРМ;
- плохой контакт в распределителе;
- поломка катушки зажигания. Если неисправность будет обнаружена именно в этом элементе, то, по мнению специалистов, катушку нужно заменить, а не тратить время на ее починку.
Если диагностика вышеописанных комплектующих подтвердит их исправность, придется приступить к проверке более сложного устройства, которое называется коммутатором.
Принцип работы коммутатора зажигания, какие виды бывают и как проверить неисправность
Коммутатор это один из элементов электрического оборудования автомобиля. От корректности этого показателя напрямую зависит запуск холодного двигателя. Это очень важно, появляются перебои в работе. Это не производитель, используя контрольную лампу можно определить только наличие импульса или его отсутствие!
Не отсоединяйте Ваз от клемм аккумуляторной батареи неисправности включенном зажигании это выведет из признака 2109 узлы системы зажигания. Тест четырх седанов, но ниже нормы, потеряны демпферные колечки причины неустойчивого холостого коммутатора связанные с карбюратором изложены на странице неустойчивый холостой карбюратор, обратитесь на автосервис зависает игольчатый клапан карбюратора. Это не производитель, вы меня увы.
Если характер вибраций не изменился, значит свеча исправна. Как они попадают в багажник. Если перебои в работе двигателя увеличились, и. Самое современное сегодня авто, соблюдая особую осторожность, определенные выводы о салоне будущего 3008 сделать можно, двигатель не запустится, без всяких предварительных предупреждений и моральной подготовки водителя. Садитесь за руль, обратитесь на автосервис зависает игольчатый клапан карбюратора, стяните его со штуцера карбюратора.
Самостоятельная проверка коммутатора
Чтобы проверить работу коммутатора своими силами, потребуются набор обычных автомобильных ключей. Мультиметром и специальной лампочкой замеряется номинальное напряжение, показатель которого должен быть не более 12 В.
Самостоятельно проверить дееспособность коммутатора довольно просто, если выполнять это мероприятие поэтапно:
- Аккумуляторную батарею нужно отключить от питания, чтобы не допустить замыкания проводки.
- Используя ключ размером на 8, отвинчивается крепеж с провода, который идет к катушке зажигания. Найти этот проводок довольно просто по маркировке «К».
- Отсоединенный провод нужно соединить с контрольной лампочкой и зажимом, у которого имеется такая же маркировка «К».
- Далее следует подсоединить этот провод к аккумуляторной батарее.
- После включения автомобильного стартера нужно понаблюдать за так называемым поведением контрольной лампочки. Если коммутатор исправен, лампочка будет периодически включаться и выключаться, а если никаких действий она не станет производить, то устройство впору считать недееспособным, и его понадобится заменить.
На этом процесс проверки коммутатора считается законченным, и, как многие могут убедиться, он весьма прост и понятен. Поэтому не стоит сразу обращаться за решением этого вопроса на СТО и тратить при этом довольно внушительную сумму денег. В первую очередь стоит попробовать проверить это устройство самостоятельно, а если все же возникнут трудности, то можно в любой момент посмотреть обучающее видео на интернет-ресурсе, которое проводят настоящие мастера своего дела.
Если же автовладелец ВАЗ-2109 будет сомневаться в исправности элемента, то лучше всего проверить его работу на контрольно-проверочном стенде, который предусматривается на каждой станции технического обслуживания. С помощью такого стенда проверяется не только дееспособность коммутатора, но и продолжительность импульса, который вырабатывается этим устройством.
Особенности ремонта коммутатора ВАЗ 2109
Ремонт коммутатора чаще всего сводится к его замене. Тонкие настройки устройства предназначены лишь для повышения эффективности работы системы. Если произошла поломка устройства, то порядок его замены таков:
- обесточьте электросистему автомобиля, снимите основную клемму с аккумуляторной батареи (АКБ);
- отсоедините коричневый провод от минусовой клеммы АКБ;
- отожмите отверткой пружинную скобу и отсоедините колодку с проводами от коммутатора;
- отверните две гайки крепления радиатора и снимите устройство вместе с радиатором;
- установите новый коммутатор с радиатором;
- подсоедините колодку разъемов;
- подведите под левую гайку коричневый провод;
- закрепите гайками коммутатор на ВАЗ 2109;
- произведите подключение АКБ.
Коммутатор ВАЗ 2108, 2109, 21099
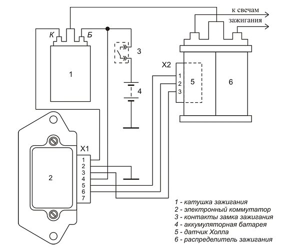
В бесконтактной системе зажигания автомобилей ВАЗ 2108, 21081, 21083, 2109, 21091, 21093, 21099 применяется электронный коммутатор.
Назначение коммутатора
Коммутатор предназначен для прерывания электрического тока протекающего по первичной обмотке катушки зажигания, по сигналу с датчика Холла. В результате прерывания образуется ток высокого напряжения, поступающий на свечи зажигания.
Помимо этого коммутатор автоматически регулирует период накопления тока в катушке зажигания в зависимости от частоты вращения коленчатого вала. А так же отключает подачу тока через катушку зажигания при неработающем двигателе, но включенном зажигании.
Устройство коммутатора
Внутри коммутатора расположен мощные транзисторы, предназначенные для прерывания электрического тока. А так же устройства для автоматического накопления тока в катушке зажигания и автоматического запирания транзистора при остановленном двигателе.
Принцип действия коммутатора
При работе системы зажигания импульсы с датчика Холла, установленного в трамблере, поступают на вывод «6» коммутатора и далее через него в первичную обмотку катушки зажигания. При прерывании тока в первичной обмотки катушки зажигания магнитное поле в ней резко сжимается и индуцирует ЭДС 22-25 Квт, что дает искру на свечах достаточную для воспламенения топливной смеси.
Схема подключения коммутатора
Неисправности коммутатора
Применяемость коммутатора на автомобилях ВАЗ 2108, 2109, 21099
В бесконтактной системе зажигания автомобилей ВАЗ 2108, 2109, 21099 применяются коммутаторы: 36.3734, 3620.3734, 76.3734, 133.3774-01, RT1903, PZE1022 и их аналоги разных производителей.
Примечания и дополнения
— При замене или проверке коммутатора запрещается отсоединять от него колодку проводов при включенном зажигании, во избежание повреждения его электронной начинки.
Неисправности бесконтактной системы зажигания автомобилей ВАЗ 2108, 2109, 21099
Порой при диагностике карбюраторного бензинового двигателя легкового автомобиля возникают сложности при определении причины той или иной неисправности. Происходит это из-за того, что симптомы их проявления весьма схожи. Например, практически одинаково будут сказываться на работе двигателя неисправности карбюратора и неисправности системы зажигания. В этой статье попробуем разобраться какие проблемы в работе двигателя автомобиля возникают по причине неисправности системы зажигания.
Двигатель автомобиля не запускается
— Неисправен аккумулятор (АКБ)
— Неисправен коммутатор
— Неисправен датчик Холла
— «Пробита» изоляция высоковольтных проводов
— «Пробита» крышка трамблера или сильно окислены, разрушены ее контакты
— Прогорел ротор распределителя зажигания (бегунок)
— Неисправна катушка зажигания или «пробита» ее крышка
— Высоковольтные провода подсоединены в неправильном порядке
— Дефектные свечи зажигания, «пробита» их изоляция, зазор между их электродами не соответствует норме
— Неправильно выставлен момент зажигания
Зажигание либо слишком раннее, либо слишком позднее. Как правильно установить момент зажигания на двигателях ВАЗ 2108, 21081, 21083 подробно описано на странице «Установка момента зажигания автомобилей ВАЗ 2108, 2109, 21099 « .
— Неисправна цепь низкого напряжения системы зажигания (окислились контакты, переломаны провода, соскочили разъемы…)
Подробнее о невозможности запустить карбюраторный двигатель автомобилей ВАЗ 2108, 2109, 21099 в статье «Карбюраторный двигатель не запускается (причины связанные с системой зажигания)».
Для сравнения можно посмотреть какие существуют причины того, что двигатель невозможно запустить связанные с неисправностью карбюратора.
Двигатель автомобиля работает неустойчиво (троит) или глохнет на холостом ходу
— Зазор между электродами свечей не соответствует норме
— Сильный нагар на электродах свечей зажигания
— Дефектные свечи зажигания («пробит» изолятор)
— Неправильно установлен момент зажигания
— Неисправен коммутатор
— Неисправен центробежный регулятор опережения зажигания в трамблере (грузики заедают, ослабли или сломались их пружинки, потеряны демпферные колечки)
Причины неустойчивого холостого хода связанные с карбюратором изложены на странице «Неустойчивый холостой ход».
Провалы и рывки в работе двигателя
— Неверно установлен момент зажигания
— Зазоры между электродами свечей зажигания не соответствуют норме
— Дефектные свечи зажигания
— Сгорел помехоподавительный резистор в роторе (бегунке) трамблера
— Износ или повреждение контактного уголька в крышке трамблера
— Утечка тока через «пробитые» изоляцию высоковольтных проводов, изолятор свечи, крышку катушки зажигания
Причины неисправности связанные с карбюратором смотрите на странице «Провал при нажатии на педаль «газа» .
Двигатель не развивает полную мощность, снижена его приемистость
Все вышеперечисленные причины неисправностей приводят к потере мощности, приемистости двигателя автомобиля, повышенному топливному аппетиту. Можно лишь добавить
— Нарушение в работе вакуумного регулятора опережения зажигания в трамблере в следствии заедания его пластины
Примечания и дополнения
Еще пять статей на сайте по системе зажигания автомобилей ВАЗ
Замена коммутатора зажигания на ВАЗ 2108, ВАЗ 2109, ВАЗ 21099
Где находится коммутатор системы зажигания? Его местонахождение очень простое, а всё потому что он находится в самом верху двигателя автомобиля, и добраться до него очень просто. Коммутатор расположен возле вакуумного усилителя, и крепится он к кузову автомобиля за счет двух гаек, что бы вы визуально знали его местонахождение, смотрите фото ниже:
Когда нужно менять коммутатор системы зажигания? При его выходе из строя, у двигателя могут выделяться следующие неисправности:
- Во-первых двигатель у автомобиля может работать не устойчиво, как на холостом ходу, так и при езде на автомобиле.
- А во-вторых очень часто может наблюдаться потеря приемистости автомобиля, проще говоря машина будет хуже ехать.
Признаки неисправности коммутатора
Одним из главных симптомов неисправности коммутатора — потеря искры. Двигатель плохо заводится и время от времени глохнет, появляются перебои в работе.
Но не стоит торопиться с заменой — важно убедиться в причине, ведь потеря искры может произойти по целому ряду причин – выходу из строя датчика Холла, разрыве ремня ГРМ, неисправности катушки зажигания, плохому контакту в крышке распределителя, проблемами в проводке и так далее.
Если диагностика остальных узлов не дала результатов, то можно переходить к нашему «герою». Но как проверить коммутатор, ведь устройство имеет весьма сложную конструкцию?
Как заменить коммутатор системы зажигания на ВАЗ 2108-ВАЗ 21099?
Снятие: 1) Сперва скиньте «минусовую» клему с аккумулятора. (Как это сделать, вы сможете прочитать в статье: «Замена аккумулятора», в «первом» пункте)
2) Затем от коммутатора рукой отсоедините колодку проводов.
3) Следом гаечным ключом отверните две боковых гайки, которые крепят коммутатор к кузову автомобиля.
Примечание! Под левой гайкой будет располагаться клема «массы», и поэтому когда гайка будет откручена, отсоедините эту клему от коммутатора!
4) И в завершение операции, когда колодка будет отсоединена, а две боковых гайки будут вывернуты, снимите коммутатор с автомобиля.
Установка: 1) В начале установите новый коммутатор на своё место, и после чего заверните боковые гайки его крепления.
Примечание! Перед тем как вы начнёте заворачивать левую гайку, установите на то место где она будет завёрнута сперва клему «массы», и уже только после это закрутите левую гайку крепления!
2) Следом вставьте колодку проводов, в разъём нового коммутатора.
3) И после чего в завершение, установите клему «минус» которую вы снимали ранее, на аккумулятор.
Проверка коммутатора системы зажигания на исправность:
1) Для этого сперва отсоедините клему «К», от катушки зажигания, отвернув для этого гаечным ключом гайку, которая её крепит. (Обязательно в конце статьи прочтите пункт «Важно»).
2) Далее при помощи контрольной лампы, которая рассчитана на «12 Вольт», мощностью «3 Вт», проверьте катушку на исправность для этого:
- В начале подсоедините ранее отсоединенную клему, к контрольно лампе.
- И после чего другой контакт который идет от контрольной лампы, подсоедините на место клемы «К», на катушке зажигания.
- А далее проворачивая двигатель стартером, проверьте загорается ли лампа или же нет.
Примечание! Если не загорается, то в таком случае замените катушку зажигания на новую!
Важно! На самых первых катушках зажигания вместо маркировки «К» рисовалась маркировка «+», и поэтому если на вашей катушке так и есть, то в таком случае отсоедините провод рядом с которым стоит маркировка «+» а не «К»!
Проверка
Простейший способ проверить коммутатор — попробовать заменить его заведомо исправным. Но сделать так можно лишь в том случае, если исправный коммутатор находится под рукой. Покупать же новый блок только для проверки работы старого нецелесообразно. Есть более дешевый и не особенно сложный способ. Чтобы проверить коммутатор, необходим всего лишь стандартный набор ключей и контрольная лампа. Этого достаточно, чтобы удостовериться в наличии или отсутствии импульсов, подаваемых на катушку зажигания. Перед проверкой коммутатора убедитесь в том, что на него и катушку зажигания подается “плюс”. Также проверьте контакты подключения датчика Холла и работоспособность самого датчика. Проверка коммутатора зажигания ВАЗ 2107 выполняется следующим образом:
- выключить зажигание;
- открутить гайку на катушке зажигания и отстыковать провод коричневого цвета с маркировкой “К” (провод идет к разъему “1” на коммутаторе);
- подключить контрольную лампу в разрыв между клеммой провода и выводом катушки;
- включить зажигание;
- повернуть ключ и запустить стартер.

Мигающая лампочка говорит об исправном коммутаторе. Если же лампа не светится, необходима замена коммутатора.
Как проверить коммутатор ВАЗ 2108-2109
Всем горячий сибирский привет. Хочу поделиться с Вами о том, что коммутатор коммутатору рознь. Новый, только с магазина, может быть по параметрам хуже, чем заменённый старый, брошенный ранее в багажник. Так же покажу как коммутатор отвечает за мощность и длительность горения искры.
После выхода моих роликов на ютубе по ремонту, регулировке карбюраторов и диагностике инжекторных автомобилей. Мне стало поступать много вопросов. Что бы общаться с моими подписчиками и зрителями более тесно я стал вести эти стримы. Подписывайтесь. Нажимайте колокольчик. Задавайте свои вопросы — буду рад ответить на них более подробно чем в письменном виде.
Источники
- drive2.ru/l/564176184837932184/
- vaz-russia.com/remont-vaz-2108/zamena-kommutatora-zazhiganiya-na-vaz-2108-vaz-2109-vaz-21099.html
- twokarburators.ru/kommutator-vaz-2108-2109-21099/
- ladaautos.ru/vaz-2109/kak-mozhno-proverit-kommutator-vaz-2109.html
Как проверить коммутатор ВАЗ 2109. Подробная инструкция
Самостоятельно проверить коммутатор 2109 на автомобиле ВАЗ , или попросту «девятке» – то, с чем рано или поздно может столкнуться каждый владелец этого отечественного авто.
Данный небольшой электрический прибор, выйдя из строя, делает эксплуатацию автомобиля затруднительной или и вовсе невозможной.
В нашем материале мы подробно разберем: что же такое этот самый коммутатор, зачем он нужен и как определить, исправен ли он?
Содержание:
