Как настроить сигнализацию на стабильную работу
Вопрос, как настроить сигнализацию, интересует многих автомобилистов, которые не раз просыпались ночью от ложного ее срабатывания или еще хуже – когда во время взлома охранная система не подавала ни звука. В нашей статье вы получите исчерпывающие рекомендации по ее настройке и регулировке.
Датчики – основа чувствительности сигнализации
Настройка сигнализации — ответственное и непростое дело. Чтобы она выполняла свое задание без ложных срабатываний и непредвиденных сбоев необходимо заняться точной ее настройкой.
Рассмотрим основные виды современных датчиков, отвечающих за реакцию вашей охранной системы:
- Датчик удара. Он улавливает вибрации от физического воздействия на корпус автомобиля, если они выше нормы.
- Датчик перемещения. Устройство срабатывает только если вашу машину попытаются угнать или будут ставить на эвакуатор.
- Датчик объема. Благодаря ему обеспечивается эффективная и точная реакция на проникновение злоумышленников внутрь салона. Тем самым одновременно исключаются ложные срабатывания и машина остается под надежной охраной, защищенная даже от мелких «салонных» воров.
Многие автомобилисты ошибочно думают, что чем большее количество датчиков включено в систему, тем она надежнее. Но в большинстве ситуаций достаточно только правильно настроенного датчика удара.
Регулировка чувствительности сигнализации
Перед тем, как настроить чувствительность сигнализации, необходимо выявить, из-за чего она неправильно работает. Среди наиболее вероятных причин повышенной чувствительности можно отметить лишь две:
- Слишком завышены настойки восприимчивости сигнализации;
- Датчики и блок защитной системы плохо закреплены, поэтому и срабатывает ошибочное включение сигнализации.
Слишком низкая чувствительность может быть вызвана теми же причинами. С тем лишь исключением, что настройки занижены.
До начала любых манипуляций рекомендуем изучить инструкцию к сигнализации. Если простых решений в регулировке не предусмотрено, нужно делать следующее:
- Отключите аккумулятор. Если по инструкции этого нельзя делать, вам придется удалить предохранитель освещения салона. Это предотвратит быструю разрядку аккумулятора в процессе настройки.
- Найдите, где в салоне закреплен датчик. Почти всегда его ставят прямо под панелью, однако иногда это не так. Придется искать. В любом случае он находится в передней части салона и скрыт от глаз. Найти его обычно несложно. Обратите внимание, что в инструкциях он часто обозначен словом «VALET». Возможно, это поможет в поисках.
- Чтобы производить настройку, режим охраны нужно отключить и войти в режим программирования. Внесенные изменения сохраняются в памяти устройства. В старых сигнализациях чувствительность регулируется специальным винтом. В более новых – кнопками. В любом случае это не сказывается на простоте работы.
- Шкала чувствительности разбита на несколько уровней. Обычно их количество колеблется в пределах десяти. Соответственно, ноль – полная деактивация датчика, а 10 – максимальная чувствительность. Заводская настройка обычно находится на 4-5-м уровне, не более.
- В процессе регулировки не советуем значительно повышать чувствительность. Большинство охранных систем за один цикл могут сработать только 10 раз. После десяти срабатываний вам придется заново поставить автомобиль на охрану и только после этого продолжать регулировку.
- При настройке нужно учитывать вес автомобиля без дополнительных нагрузок, способ крепления блока охранной системы, а также особенности обстановки в обычном месте парковки вашего авто.
- В зависимости от того, в какую сторону вам нужно регулировать сигнализацию, постепенно увеличивайте или уменьшайте степень восприятия датчиком удара. Попробуйте несколько раз несильно ударить по кузову. Определите, при каком физическом воздействии сработает датчик. Если возникнет необходимость, дополнительно проведите более точную корректировку.
Обратите внимание, что для точной проверки правильности настройки нужно поставить автомобиль на защиту и не трогать 1-2 минуты, а не проверять чувствительность сразу. В некоторых системах определенное время датчик пребывает в режиме повышенной чувствительности, если на кузов только что было оказано воздействие. А иногда этот режим автоматически запускается сразу же после запуска охраны. Переждите и начинайте делать удары по лобовому стеклу. Желательно в его центре.
Главное неудобство настройки – необходимость несколько раз включать и выключать охранную систему. Кроме того, будьте готовы, что десяток раз сирена будет громко вопить. Не рекомендуем проводить работы ночью или рано утром, чтобы не нервировать соседей.
В некоторых случаях возможна полуавтоматическая настройка чувствительности сигнализации. При этом во время настройки системы датчик переводится в режим запоминания и обучения, а после делаются удары по кузову с разной силой. Амплитуда и сила ударов запоминаются микропроцессором и потом используются при распознавании ударов. Все кажется очень простым и понятным, но есть один важнейший недостаток: на один удар по различным частям транспортного средства реакция датчика будет отличаться. И если в режиме запоминания вы произвели удар по капоту, это совсем не гарантирует, что датчик сработает при ударе по колесу. Или наоборот, слабый удар по капоту вместо «настороженности» системы может спровоцировать срабатывание сирены.
Если настройка не помогает
Обратите внимание, что следующие действия вы производите на свой страх и риск. В некоторых случаях они нивелируют возможность гарантийного ремонта и сервисного обслуживания.
Вполне возможно, что даже после настройки сигнализация продолжит работать неправильно. Еще один способ решить эту проблему – сделать полный сброс настроек. Большинство охранных систем имеют собственную схему произведения сброса, но если инструкции нет, а информацию найти не представляется возможным, есть универсальный способ:
- Заглушите двигатель. 9 раз подряд нажмите кнопку «VALET», после чего сирена подаст короткий сигнал. Габариты в этот момент должны моргнуть дважды.
- Включите зажигание. При этом фары снова должны несколько раз мигнуть, а сирена – издать подряд девять коротких сигналов. Все это – признак того, что сигнализация перешла в режим сброса к изначальным настройкам системы.
- Снова зажмите кнопку «VALET» и дождитесь громкого гудка сирены.
- На пульте управления должна быть клавиша, где изображен динамик. Зажмите ее. В этот момент сам пульт должен издать длинный сигнал.
- Чтобы выйти из режима сброса, выключите зажигание или дождитесь, пока система сама выйдет из режима. Когда это случится, снова несколько раз вспыхнут фонари, а пульт подаст соответствующий сигнал. На этом все.
Если на всех этапах реакция автомобиля соответствовала описанному, значит сброс прошел успешно. Если нет, еще раз внимательно перечитайте инструкцию и проверьте, все ли вы сделали правильно. Обычно возможность возникновения проблемы возникает только при нажатии не того количества раз на первом этапе сброса.
Некоторые сигнальные системы устроены таким образом, что неправильное выполнение процедуры сброса может полностью их заблокировать. После этого восстановление работоспособности придется доверять специалистам. Настоятельно советуем найти информацию об особенностях сброса именно в вашем случае.
Естественно, после этого чувствительность сигнализации может снова оказаться не той, которая вам нужна. Поэтому опять возвращаемся к процессу регулировки, описанному выше.


Как настроить сигнализацию — разбираемся вместе
Сигнализация автомобиля – один из ключевых элементов его безопасности. Именно данное устройство может выручить и уберечь автомобилиста от несанкционированного проникновения постороннего в свое транспортное средство и от угона машины. Вопрос о настройке сигнализации является достаточно распространенным в кругах автомобилистов. Это связано с тем, что множество водителей просыпались ночью от ее ложного срабатывания. Еще хуже, если все наоборот и сигнализация не срабатывала, когда взламывали автомобиль.
Датчики – основа чувствительности сигнализации.
Настройка сигнализации является достаточно ответственным и непростым занятием. Для того, чтобы сигнализация работала в нормальном режиме и исключала сбои и ложные срабатывания нужно произвести ее точную настройку. Так, сначала нужно рассмотреть вопрос о том, какие именно виды современных датчиков существуют в современном мире. Существуют три вида датчиков, которые предопределяют срабатывание сигнализации: удара, перемещения и объема. Датчик удара отвечает за улавливание вибрации от различного рода физических воздействий на корпус транспортного средства, если они превышают допустимую норму.
Датчик перемещения срабатывает в нескольких случаях: если автомобиль пытаются угнать; если автомобиль ставят на эвакуатор. Благодаря датчику объема будет обеспечиваться точная и эффективная реакция непосредственно на чужое проникновение внутрь салона. В таком случае исключается возможность ложного срабатывания, а автомобиль все время находится под надежной охраной. Множество автолюбителей думают, что большое количество датчиков будет более надежным методом обеспечения безопасности, что является неверным мнением. Тем не менее, в большинстве случаев достаточным действием будет лишь правильная настройка датчика удара.
Регулировка чувствительности сигнализации.
Перед непосредственной регулировкой чувствительности сигнализации нужно определить причину, из-за которой она неправильно работает. В автомобильном быту существует лишь две причины повышенной чувствительности сигнализации: настройки восприимчивости сигнализации сильно завышены; блок и датчик защитной системы имеют плохое крепление, вследствие чего срабатывает ошибочное включение сигнализации. Важно знать, что слишком низкая чувствительность сигнализации вызывается по тем же причинам, только все настройки будут занижены.
Прежде чем приступать к любым манипуляциям с сигнализацией необходимо изучить инструкцию производителя. Если же там не указаны простые решения в регулировке устройства, то нужно сделать последовательные определенные процедуры. Сначала нужно отключить аккумулятор. Если же в инструкции запрещается отключать аккумулятор, та автомобилисту придется удалить предохранитель, который отвечает за освещение салона. Эта процедура поможет предотвратить скорую разрядку аккумулятора при его настройке. После этого нужно найти место в салоне автомобиля, где располагается датчик. Зачастую, данное устройство находится под панелью приборов, но это не всегда так, следовательно, его нужно будет обнаружить. Всегда его поиском нужно заниматься в передней части салона.
Для того, чтобы производить настройку, нужно предварительно отключить режим охраны и войти в режим программирования. Все изменения, которые будут внесены сохранятся в памяти устройства. Старые сигнализации имеют определенное отличие, так как их чувствительность регулируется посредством специального винта. Более новые модели осуществляют эту процедуру кнопками. Сама чувствительная шкала имеет несколько уровней, которые и означают степень реагирования сигнализации. Стандартная настройка регулируется на 5 уровне из 10. В непосредственном процессе регулировки не следует значительно увеличивать чувствительность. Так, большая часть сигнализаций за свой один цикл могут срабатывать только 10-12 раз. После этого нужно будет заново ставить транспортное средство на охрану, после чего продолжать регулировку.
При настройке учитывается вес автомобиля, способ крепления охранного устройства, особенности обстановки в обычном месте парковки транспортного средства. В зависимости от стороны, в которую будет происходить регулировка, нужно постепенно уменьшать или увеличивать степень восприятия датчиком удара. Нужно пару раз легонько ударить по кузову автомобиля. Так и будет определяться физическое воздействие от которого срабатывает датчик. Чтобы проверка регулировки была более точной нужно автомобиль установить на защиту и оставить в состоянии покоя 2-3 минуты, не проверяя чувствительность. После этого нужно начать делать малые удары по центру лобового стекла.
Основное неудобство такого рода настройки заключается в необходимости несколько раз выключать и задействовать охранную систему. Помимо этого нужно быть готовым к тому, что сирена будет десяток раз очень сильно кричать, следовательно не рекомендуется проводить подобного рода настройку рано утром или поздно вечером.
Если настройка не помогает.
Следует обратить внимание на то, что следующие действия могут быть произведены лишь тогда, когда автомобилист сам возьмет на себя ответственность за результат, так как подобные ремонтные работы нивелируют возможность гарантийного сервисного обслуживания и ремонта.
Более чем реально, что после настройки детальной вышеуказанной устройство сигнализации будет работать неправильно. Одним из способов по решению данной проблемы является полный сброс всех настроек. Множество автомобильных охранных систем имеют определенную схему произведения сброса. Тем не менее, если таковой инструкции нет, то существует один универсальный способ решения всех проблем.
Так, нужно заглушить двигатель и около 9 раз нажать кнопку «Valet», вследствие чего прозвучит короткий сигнал, а габариты несколько раз моргнут. Далее нужно включить зажигание. Фары снова несколько раз моргнут, а сирена будет издавать девять сигналов. Это и будет признаком того, что сигнализация сбросила все свои настройки. После этого нужно нажать все ту же кнопу и дождаться громкого гудка сирены. На пульте управления находится клавиша с изображением динамика. Нужно ее зажать, после чего пульт издаст длинный сигнал.
Для выхода из режима сброса нужно выключить зажигание и дождаться, пока сама система выйдет из режима. После этого фары снова моргнут несколько раз, а пульт подаст сигнал о завершении. Если автомобилист не встретился с проблемами на вышеуказанном пути, то сброс прошел вполне успешно. Следует внимательно еще несколько раз прочесть инструкцию и лишь тогда приступать к процессу. Важно заметить, что такого рода ремонтные работы могут привести к тотальной блокировке системы сигнализации. Из-за этого настоятельно рекомендуется найти информации об особенностях сброса настроек для конкретной модели. Конечно же, после сброса чувствительность не всегда будет радовать автомобилиста, поэтому нужно заново провести процедуру регулировку.
Если же после всего проделанного автомобилист не получил желаемое, то проблема, скорее всего, заключается в механических повреждениях самой системы. Нужно изучить все контакты, которые могут отходить, не оголенные ли провода и нормально ли закреплены все детали.
Помимо этого «старые модели» подвергаются достаточно сильному воздействию разного рода внешних факторов. Если длительное время авто находится под воздействием такого рода элементов как погода — морозы, жара и т.д., то проблемы неизбежны. Если автомобилист тщательно разберется в своей охранной системе, подкрепит свои знания вышеуказанными рекомендациями и приступит к регулировке по данной инструкции, то вне всякого сомнения данная процедура будет приятной, а результат – отличным.
Подписывайтесь на наши ленты в Facebook, Вконтакте и Instagram: все самые интересные автомобильные события в одном месте.
Была ли эта статья полезна?
auto.today
Особенности установки автомобильной сигнализации своими руками
Каждый автовладелец стремится защитить машину от взлома. Самыми популярными устройствами защиты являются автомобильные сигнализации. Многие осуществляют самостоятельную установку противоугонного оборудования, но при этом важно знать, из каких основных блоков состоит сигнализация, как правильно выполнить её установку и подключение с учётом возможных нюансов авто.
Устройство и принцип работы автосигнализации
Как и ряд другого электронного оснащения, автомобильная сигнализация состоит из следующих блоков:
- блока управления;
- блока входных устройств;
- блока исполнительных устройств.
Рассмотрим назначение каждого из блоков детальнее. Входными устройствами, как правило, являются входные датчики и пульт ДУ (дистанционного управления). Пульт ДУ представляет собой брелок. Если рассмотреть штатную сигнализацию, то он выполнен совместно с ключом зажигания. В основном к автомобилю прилагается два брелока, один из которых является основным, второй запасным. Брелок предназначен для постановки и снятия сигнализации с охраны. Кроме этого, возможен контроль состояния автомобиля. В зависимости от конструкции устройства при помощи брелока можно осуществить дистанционно запуск не только двигателя, но и управления электрооборудованием, выполнить поиск машины на автомобильной стоянке.
Любая автомобильная сигнализация состоит из блока управления, блока входных устройств и блока исполнительных устройств
Брелок и сигнализация между собой связываются посредством радиоканала. Важным моментом является защита информации от возможного перехвата, т.е. происходит её кодирование. Оно может быть статическим либо динамическим. На сегодняшний день статическое кодирование не используют. Динамический способ кодирования информации характеризуется высокой степенью защиты от перехвата.
Назначение входных датчиков — выполнять охранные функции автосигнализации. Когда автомобиль поставлен на охрану, с их помощью происходит фиксация ряда физических параметров, которые преобразуются в электрические сигналы. К основным датчикам в противоугонном оборудовании относятся:
- датчик удара;
- контактный датчик;
- датчик наклона;
- датчик объёма.
В зависимости от конструктивных особенностей устройства этот перечень может быть дополнен и другими датчиками:
- датчиком движения;
- датчиком разбитого стекла;
- датчиком обрыва электропитания;
- датчиком падения напряжения.
Каков принцип работы основных датчиков? Начнём обзор с датчика удара. С помощью этого элемента механические колебания преобразуются в электрический сигнал. Конструкция состоит из пьезопластины, которая в результате удара начинает колебаться. В момент, когда происходит превышение определённой величины колебаний, происходит срабатывание светового и звукового сигналов. Однако такой датчик не лишён недостатков, которые сводятся к ложным срабатываниям. Из-за описанной проблемы в оснащении штатной сигнализации такие датчики отсутствуют. Проблема решается путём регулировки высокочувствительных элементов.
С помощью датчика удара (шок сенсора) механические колебания преобразуются в электрический сигнал
Охрана кузовной части автомобиля обеспечивается контактными датчиками:
- концевыми выключателями;
- кнопочными выключателями;
- микропереключателями.
Назначение датчика наклона — срабатывать в момент наклона автомобиля, что происходит обычно при погрузке машины на эвакуатор либо при попытке поддомкратить её. Этот элемент является датчиком ускорения. Благодаря его настройке исключается реагирование на положение кузова в естественных условиях, например, при сильном ветре, понижении давления в шинах либо просадке грунта. Что касается датчика объёма, то с его помощью осуществляется фиксация любых движений в салоне автомобиля. Такие элементы представляют собой сенсорные устройства. К наиболее популярным датчикам относятся микроволновый и ультразвуковой.
Микроволновый датчик предназначен для работы с радиоволнами в сантиметровом диапазоне. Этот тип является двухзонным. Помимо того, что он обнаруживает перемещение внутри салона, с его помощью происходит фиксация перемещений в непосредственной близости. Ультразвуковой датчик состоит из излучателя и приёмного устройства. Когда двери и окна автомобиля закрыты, то происходит отражение ультразвуковых волн от поверхности салона. При этом создаётся постоянный волновой сигнал, анализируемый приёмником. В момент проникновения в автомобиль происходит изменение характера волн, в результате чего срабатывает охранное устройство.
Немаловажную роль играет электронный блок управления, с помощью которого обрабатываются входные сигналы от перечисленных выше датчиков, а также от брелока. После поступления сигналов происходит формирование управляющего сигнала на исполнительные устройства. Конструктивные особенности штатной сигнализации таковы, что блок управления не устанавливается. Поэтому задействуются мощности блоков иных систем, например, ЦЗ (центрального замка).
Блок управления сигнализации обрабатывает поступающие сигналы от брелока и различных датчиков
К исполнительным устройствам противоугонного оборудования относятся сирена и световая индикация. Есть конструкции рассматриваемых систем с иммобилайзером. В таких устройствах помимо перечисленных добавляется ещё реле блокировки. Взаимодействие охранной системы с иными устройствами происходит посредством системы освещения, ЦЗ, системы запуска, электростеклоподъемников.
В автосигнализациях могут устанавливаться сирены как пассивные, так и активные. В оснащении активной сигнализации присутствует встроенный аккумулятор, который обеспечивает бесперебойную работу устройства при отключении питания автомобиля. Есть и современные сигнализации, оснащённые специальным модулем, который обеспечивает управление, а также контроль состояния посредством сотового канала связи. Обо всём перечисленном необходимо знать, чтобы правильно выбрать противоугонное оборудование и самостоятельно его установить.
Самостоятельная установка и настройка сигнализации Starline
Покупка нового автомобиля — всегда радостное событие. Его сразу же нужно защитить от возможного угона. Максимально надёжную охрану обеспечивает современная сигнализация. Одной из самых популярных систем защиты автомобиля в настоящее время является сигнализация Starline.
Сигнализация Starline любой модификации — это современный охранно-телематический комплекс, надёжный защитник вашего автомобиля от угона и грабежа.
Сигнализация Starline надёжный защитник вашего авто
Основные технические характеристики системы следующие:
- частота радиосигнала — 433.92 Гц;
- максимальный радиус действия — 2 км;
- напряжение постоянного тока 9–18 В;
- потребляемая сила тока в режиме охраны — не более 20 мА;
- пьезоэлектрические датчики.
Сигнализация имеет множество нужных и удобных функций, таких как:
- защита от радиопомех;
- опция управления через брелок;
- расширенный диапазон температур (от -50 до +85оС);
- энергоэкономичность аккумулятора;
- контроль канала связи;
- опция авторизации по PIN-коду;
- 3D датчик удара и наклона;
- возможность управления с телефона;
- опция мониторинга местонахождения автомобиля;
- автоматическая аварийная работа.
Благодаря этим и другим функциям сигнализация Starline комплексно и качественно защищает транспортное средство от угона и взлома.
- Двери, капот, багажный отсек и стояночный тормоз защищены специальными кнопочными выключателями.
- Двигатель надёжно охраняется встроенными реле.
- Состояние кузова, колёс и окон контролируется датчиком удара с двухуровневой чувствительностью.
- Система зажигания блокируется от несанкционированного включения специальным блоком контроля напряжения, расположенным непосредственно на замке зажигания.
По своей сути система Starline, как и любая другая сигнализация, — это устройство, которое передаёт сообщение о взломе автомобиля с целью кражи или угона.
Особенностью Starline является использование каналов сотовой связи для оповещения автовладельца. Важнейшей частью системы является модуль GSM, конструктивно напоминающий мобильный телефон без экрана и клавиатуры.
Модуль оснащён разъёмами для подключения различных датчиков, с помощью которых и осуществляется мониторинг состояния автомобиля. При попытке открыть дверь, разбить окно или другим образом проникнуть в салон, датчики срабатывают моментально. Они посылают сигнал на базовый модуль, который, в свою очередь, перенаправляет этот сигнал на телефоны автовладельца и других подключённых к системе абонентов и на пульт охраны.
Установка
Считается, что установка сигнализации — весьма сложная процедура, требующая специальных знаний. Главное преимущество системы Starline состоит именно в том, что её монтаж довольно прост. Поэтому установить её может даже неопытный автовладелец.
Для установки Starline потребуются следующие инструменты и расходные материалы:
- паяльник и канифоль;
- отвёртка;
- диоды;
- изолента.
Для подключения системы необходимо выполнить ряд действий в определённой последовательности.
- Откручиваются саморезы и снимается облицовочный материал рулевого вала.
- Снимаются крепления приборного щита.
Отворачиваются крепления приборного щита
- Один из диодов устанавливается на левую стойку ветрового стекла, а датчик удара размещается на балке.
Светодиодная лампа и блок приёма-передачи сигналов устанавливаются внутри салона машины
- На лобовое стекло крепится антенна.
Антенна крепится на лобовое стекло
- Кнопку сервиса можно установить в любое удобное для автовладельца место.
- Самый сложный момент — это подключение разъёмов центрального блока устройства в соответствии со схемой, приведённой на рисунке.
- Сигнализация программируется на задержку в 30 секунд (подсветка салона) и контроль работы силового агрегата по генератору.
Монтаж противоугонной системы Starline довольно прост
В некоторых случаях может потребоваться подключение системы в обход иммобилайзера. Такая схема становится всё более популярной при монтаже сигнализации с опцией автозапуска.
Обходчик для иммобилайзера Starline — это дополнительный механизм, который можно приобрести вместе с сигнализацией. Он является бесключевым — автомобиль можно будет открыть даже при потере ключа.
Подключение в обход иммобилайзера проводится дважды. При первом подключении осуществляется сбор данных, а второе подключение является итоговым.
Видео: установка сигнализации Starline

Настройка
Важнейшим моментом после установки и подключения всех функций системы Starline является её настройка. От того, насколько точно владелец настроит систему под свои потребности, будет зависеть удобство и надёжность дальнейшей эксплуатации сигнализации.
Настройка состоит из пяти этапов:
- привязка брелока к системе;
- настройки интерфейса;
- режимы работы;
- функции кнопок на брелоке;
- настройка автозапуска.
Привязка брелока к системе
Прежде всего необходимо привязать брелок к центральному блоку сигнализации. Для этого потребуется выполнить следующие действия.
- Убедитесь, что зажигание автомобиля выключено.
- Семь раз нажмите на кнопку сервиса Valet.
- Включите зажигание.
- Система подаст семь сигналов — таким образом она переходит в режим записи.
- Одновременно нажмите на первую и вторую кнопки и удерживайте их до тех пор, пока не услышите сигнал сирены — брелок привязан.
Настройка интерфейса
Программирование интерфейса — один из самых сложных этапов в настройке. Однако это позволяет значительно расширить имеющиеся возможности — например, подключить блокировку только одной двери.
Наиболее часто встречающиеся примеры программирования:
- Последовательные клики по первой и второй кнопкам брелока включают бесшумную охрану.
- Последовательные клики по первой и третьей кнопкам осуществляют запуск мотора.
- Одинарное нажатие сначала второй, а потом первой кнопок автоматически включают функцию охраны при работающем двигателе.
- Последовательные клики по второй и третьей кнопкам прекращают работу двигателя.
- Одновременным нажатием второй и третьей кнопок осуществляется разблокировка кнопок брелока.
- Одновременным нажатием первой и третьей кнопок все кнопки брелока блокируются.
- Длительное одновременное нажатие первой и второй кнопок при выключенном зажигании включает режим «паника».
- Такое же нажатие кнопок при включённом зажигании автоматически включает режим «антиограбление».
Каждый автовладелец может настроить систему Starline в соответствии со своими потребностями. Более подробно функции программирования описаны в руководстве по установке и настройке сигнализации.
Режимы работы
Сигнализация Starline, как и другие охранно-телематические устройства, может работать в различных режимах. Таких режимов шесть:
- режим «Охрана включена»;
Один из шести базовых режимов включает охрану
- режим «Охрана отключена»;
- режим «Тревога»;
- режим «Паника»;
- служебный режим;
- режим программирования.
В режиме «Охрана включена», сигнализация будет функционировать следующим образом:
- все сигналы от брелока будут идентифицироваться как «свой» или «чужой»;
- если сигнал определён как «свой», система автоматически начнёт проверку всех входов в автомобиль — закрыты ли они;
- если сигналы от брелока не поступают, система поставит автомобиль на охрану — закроет все замки и подаст одиночный сигнал;
- если при постановке автомобиля на охрану не были закрыты двери или багажник, система всё равно заблокирует все входы и оповестит об этом владельца;
- в момент включения режима «Охрана включена» начнёт моргать светодиодный маяк в салоне автомобиля.
Режим «Охрана отключена» сопровождается следующими действиями системы:
- при нажатии на брелоке кнопки снятия с охраны система проверит соответствие сигнала и центрального блока управления;
- если сигнал принят за «свой», система разблокирует двери и подаст соответствующие звуковые и световые сигналы;
- отключаются все функции охраны.
Режим «Тревога» активизируется при срабатывании любого датчика. При попытках проникновения в салон или механических воздействиях на кузов, система немедленно перейдёт в режим «Тревога» и подаст три или четыре коротких звуковых и световых сигнала.
Режим «Тревога» активизируется при срабатывании любого датчика
Режим «Паника» аналогичен режиму «Тревога». Основное отличие — режим «Паника» включается с брелока. Он предназначен для отпугивания грабителей от автомобиля.
При передаче автомобиля на обслуживание или ремонт в автосервис сигнализация переводится в служебный режим.
И, наконец, в режиме программирования система позволяет владельцу настроить все необходимые параметры.
Сигнализация Starline может работать в шести различных режимах
Назначение кнопок брелока
Брелок сигнализации Starline имеет ЖК-дисплей и три кнопки. Традиционно первая кнопка предназначена для программирования, вторая — для подбора функций и третья — для выбора опций. Каждая кнопка может выполнять как общие, так и специфические функции:
- кнопка 1 — программирование, автозапуск и остановка двигателя, постановка на охрану;
- кнопка 2 — отпирание багажника;
- кнопка 3 — установка таймера и уровня энергосбережения аккумулятора.
В зависимости от настроек, различные комбинации кнопок могут разнообразить основные функции системы Starline.
Брелок сигнализации Starline имеет ЖК-дисплей и три кнопки
Настройка автозапуска
При соответствующих настройках система Starline может обеспечить дистанционный запуск (или автозапуск) двигателя. Активируют эту функцию следующим образом.
- Остановите автомобиль и включите зажигание.
- Поставьте машину на стояночный тормоз и включите нейтральную передачу;
- Нажмите кнопку 1 брелока и держите её нажатой не менее трёх секунд.
- После короткого сигнала в течение 30 секунд выполните следующие действия.
- Выключите зажигание и вытащите ключ из замка — при этом двигатель будет продолжать свою работу.
- Выйдите из автомобиля и закройте двери и багажник.
- После этого система выключит двигатель и автоматически заблокирует все двери — будет включён режим охраны.
- Опция автозапуска может быть активирована.
Для активации автозапуска следует выбрать значок «Старт» на брелоке и нажать на кнопку 2. Другой способ — нажать и удерживать кнопку 1 на протяжении трёх секунд. В обоих случаях опция автозапуска будет включена.
Достоинства и недостатки
Достоинства противоугонной системы Starline очевидны. Это надёжность, долговечность, многофункциональность и, что очень важно, невысокая стоимость. Дополнительным бонусом является реализация возможности дистанционного запуска двигателя.
К недостаткам с большой натяжкой можно отнести затруднения при самостоятельной установке и настройке системы.
Диагностика неисправностей
Большинство проблем в работе сигнализации Starline связано с тем, что автовладелец не может самостоятельно корректно настроить систему. В таких случаях следует просто обратиться в сервисный центр.
Однако возможны и более серьёзные неисправности системы.
Таблица: возможные неисправности сигнализации Starline и их симптомы
Сброс настроек
Большинство проблем в работе сигнализации Starline решается простым сбросом настроек брелока и переходом к заводским установкам. После этого, однако, потребуется заново настроить параметры системы.
Перезагрузка брелока выполняется следующим образом:
- Выключите зажигание автомобиля.
- Девять раз нажмите на кнопку сервиса Valet, находящуюся под рулём.
- Включите зажигание.
- После девяти сигналов сирены нажмите на кнопку Valet один раз. Прозвучит сигнал сирены.
- Нажать на кнопку 1 на брелоке. Настройки сброшены.
Противоугонная система Starline отличается надёжностью, долговечностью и оптимальным соотношением «цена — качество». Обладая даже незначительным опытом и знаниями, каждый автовладелец может самостоятельно установить и настроить сигнализацию в соответствии со своими потребностями.
autozam.ru
Особенности установки автосигнализации
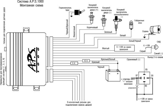
Такой шаг, как установка сигнализации, является достаточно ответственным. Прежде чем приступить к монтажу, нужно знать о возможных нюансах, чтобы избежать ремонта и финансовых затрат. Для монтажа данного оборудования нужно обладать определёнными навыками и умениями, но и этого недостаточно. Сегодня предлагается огромный выбор противоугонных систем различных брендов, также существуют различные схемы подключения. На чём остановить свой выбор? Вот это действительно проблема. Из наиболее именитых фирм стоит выделить Томагавк, Шериф, Мангуст, Пантера. С особым вниманием нужно подойти к выбору схемы монтажа, поскольку цветовая маркировка разных устройств может быть предназначена для абсолютно разных функций.
При монтаже сигнализации одним из главных документов, которым нужно руководствоваться, является схема
Если сигнализация изготовлена своими руками, то в процессе её подключения важно чётко понимать, какой провод и куда необходимо подсоединить. При подключении охранных устройств с GSM-модулем в домашних условиях важно знать, для чего предназначено это устройство, как правильно его подключить и выполнить программирование системы по окончании монтажа. Возможно, потребуются и другие действия, к которым нужно быть готовым. Если нет уверенности в своих силах, то лучше обратиться к услугам специалистов. Да, придётся заплатить определённую сумму, но зато удастся избежать проблем.
В основном сигнализацию устанавливают самостоятельно потому что:
- владельцу автомобиля нравится заниматься самому;
- есть проблемы финансового характера.
Инструменты и материалы
Чтобы выполнить установку оборудования самому, понадобится следующий перечень материалов и инструментов:
- комплект сигнализации с инструкцией;
- электронный мультиметр;
- дополнительные провода;
- поролон (в него оборачивают блок управления);
- чёрная изолента с двусторонним скотчем;
- торцевой ключ, зажигалка, нож для обрезки проводов, фигурная отвёртка.
После того как подготовлено всё необходимое, можно приступать к установке устройства. О том, как это сделать правильно и в каком месте произвести монтаж, поговорим далее.
Как определить место установки устройства в машине
Рассмотрим сперва место, куда устанавливают блок управления. В основном таковым является полость за панелью приборов. Перед тем как установить блок, его оборачивают в поролон, примеряют, насколько удобно будет расположение. Важно, чтобы фиксация была удобной и при этом блок ничему не мешал. Чтобы установка противоугонного устройства была выполнена правильно, необходимо придерживаться нескольких простых рекомендаций:
- Блок управления должен располагаться внутри салона и в таком месте, чтобы в случае проникновения злоумышленника, нужно было добираться до него как можно дольше. Место, в котором будет расположен блок, вычислить несложно, однако, чтобы подобраться к нему, потребуются временные затраты.
- Возле блока не должны располагаться трущиеся элементы и детали, например, тяги, тросики и т.п.
- Монтаж блока не должен осуществляться возле системы отопления, а также источника повышенной влаги (кондиционер либо воздуховоды отопителя).
- Нужно избегать установки блока в непосредственной близости с антенными кабелями, мобильными телефонами, радиостанциями.
- Основная часть подключений будет выполняться к приборам на панели.
Установка блока управления производится в скрытом и удобном месте салона автомобиля
В процессе монтажа внимание стоит обратить на такие нюансы:
- Расположение проводов в местах изгибов (дверь-кузов). Чтобы избежать перегибов и переломов проводки в результате постоянного механического воздействия, необходимо использовать специальные проходные трубки из резины, а также втулки, которые должны иметь определённый радиус изгиба.
- Соленоиды в дверях монтируют вдали от кнопки тяги, которая открывает дверь.
- Прокладывать проводку по кузову необходимо только в тех местах, где исключена влажность. Для крепления используют пластиковые стяжки (хомуты), размер которых зависит от толщины проводки.
Это основные подготовительные моменты, которые следует учитывать при самостоятельном монтаже рассматриваемого оборудования. Детальное подключение противоугонной системы рассмотрим ниже.
Пошаговая инструкция по установке сигнализации
Сперва стоит сказать о соединениях, поскольку мнения специалистов на этот счёт расходятся. Провода можно соединить как при помощи пайки, так и обжимом либо скруткой. Есть мнение, что пайка в автомобиле недопустима. Как бы там ни было, но места электрических соединений должны быть надёжными и хорошо заизолированными, для чего используется изолента, а также термоусадочная трубка.
Первым подключается провод массы, он, как правило, имеет чёрный цвет. Желательно чтобы точкой подключения был штатный болт массы. Для этого на конце провода обжимают клемму, которая должна соответствовать размеру болта. Недопустимо подключение провода массы при помощи самореза, что обусловлено низкой надёжностью соединения. Если масса подключается в подкапотном пространстве, то место соединения обрабатывают средством от коррозии.
Провод массы автосигнализации подключается на штатный болт массы, для чего на конце провода обжимают клемму соответствующего размера
Оборудование к +12 В подключают красными проводами. В процессе монтажа важно учесть:
- питание подключают к штатной автомобильной проводке к проводам с сечением не менее 6 мм либо непосредственно к АКБ;
- если производится соединение со штатным проводом, то обязательно нужно принять во внимание номинал штатного предохранителя для данной цепи;
- подключение блока реле и блока сигнализации рекомендуется выполнять к разным цепям, для защиты которых используются разные предохранители;
- если подключают “+” провод к аккумулятору, то в цепь рекомендуется установить предохранитель номиналом 30 А и расположить его как можно ближе к плюсовой клемме АКБ. Назначение этого элемента — дополнительная защита.
Световая сигнализация
Подключение производят к свету основных фар (ближнему) либо сигналам поворотов. При монтаже к поворотникам нужно отыскать те провода, которые идут от указателя поворотов. В случае с фарами, соединение производят с проводом, идущим на реле управления светом.
Центральный замок
Чтобы подключиться к ЦЗ, можно использовать разные схемы, выбор которых зависит от конструкции сигнализации. Располагается ЦЗ в салоне автомобиля, в том месте, где его не так просто найти. Для поиска необходимо воспользоваться электрической схемой своей машины. Подключаются к этому устройству в блоке управления ЦЗ. Он может располагаться в одном из перечисленных мест:
- на двери водителя;
- на центральной приборной панели;
- возможна установка кнопки управления ЦЗ в салоне.
Сигнализация к ЦЗ подключается в блоке управления центральным замком. Чтобы отыскать этот блок, необходимо воспользоваться электрической схемой к автомобилю
Сведения о том, как настроить сигнализацию, используя курсорный способ
Допустим, управляющий брелок автомобильной сигналки был успешно прописан в память основного блока. В инструкции по установке всегда рассматривается, как настроить сигнализацию, то есть ее основной блок, в соответствии с выполненным подключением. В дополнительной настройке нуждаются канал автозапуска, реле управления центральным замком и т.д. А некоторые опции, такие как часы, будильник и метод активации автозапуска должен настраивать сам владелец. Но устанавливать значения даже перечисленных параметров на практике оказывается сложно. То, как эту установку выполнить, рассматривается дальше.
Управлять сигнализацией нужно уметь
По идее, автовладелец должен пользоваться двумя кнопками брелока – клавишей включения и деактивации режима охраны.
Пульт управления сигналки Starline
Все остальное к его компетенции не относится. Однако при желании можно задействовать следующие опции:
- Автоматический переход в режим охраны. Функция обычно задействуется по выключению зажигания и запиранию последней двери.
- Вместо охранных опций иногда используют более «щадящий» вариант – так называемый режим иммобилайзера, который тоже может включаться автоматически. Кстати, при постановке авто на охрану режим иммобилайзера задействуется всегда.
- Дополнительно можно настроить выполнение автозапуска или отключить эту функцию.
Похоже, для начала все опции нужно упорядочить и научиться их отличать друг от друга.
Чтобы производить автозапуск двигателя, к сигналке подключают модуль, позволяющий выполнять обход штатного иммобилайзера. Этот модуль задействуется не все время, а только в момент запуска стартера. Чтобы усилить охранные функции, большинство сигналок оборудуются специальным выходом, позволяющим подключать реле блокировки.
Разъем основного блока сигнализации
Контакты таких реле будут разомкнутыми в двух случаях:
- Активирован режим охраны;
- Охрана авто не активирована, но при этом задействован режим иммобилайзера.
Штатный иммобилизатор авто, а также блокирующее реле, которое подключено к основному модулю – это две разные системы, не связанные между собой.
Способ настройки, рассматриваемый ниже, не позволяет менять назначение сигнальных каналов или время срабатывания механизмов ЦЗ. Он нужен затем, чтобы отключать либо задействовать ту или иную опцию, предусмотренную в сигналке изначально.
Настраиваем опции под себя
Возникает вопрос, о чем должно рассказываться дальше – о настройке сигнализации, то есть ее основного модуля или брелока? Все параметры в электронном брелоке можно менять в любое время, и для этого даже необязательно подносить его к антенне сигналки. Но то, что рассмотрено во второй главе, имеет отношение как раз к программированию сигнализаций. Будут меняться параметры, заданные в прошивке основного модуля. Специальный режим, получивший название «сервисного», при этом не задействуется, а используется так называемый «курсорный метод».
Установка времени, будильника, таймера
Отдельно от сигнализации в любом управляющем брелоке можно поменять показания часов, а также настроить будильник и таймер, если последний предусмотрен в конструкции. Чтобы эти действия выполнить, на основном брелоке Starline жмут и удерживают кнопку «3»:
Инструкция к сигналкам Starline Dialog
Действия оператора выглядят так:
- Нужно дождаться, когда иконка «часы» начнет мигать. Требуемое значение устанавливают, нажимая кнопки «1» или «2».
- Быстрое нажатие кнопки «3» позволит перейти к следующему разряду (от часов к минутам).
- Аналогично второму действию шага «1» устанавливают параметры будильника, нажав в завершение кнопку «3».
- Будильник включают или отключают (ON/OFF), используя кнопки «1» или «2».
- По короткому нажатию кнопки «3» переходят к настройке таймера.
Здесь все выглядит более чем логично.
Дальше будет рассмотрено, как производится настройка автосигнализации. Допустим, вы решите, что автоматический запуск двигателя должен выполняться по будильнику. Но тогда остается вопрос, как параметры будильника и часов выставить внутри основного блока?
Настройка оборудования Starline Dialog
Все действия выполняют, находясь в салоне авто. В нижней строке должны высветиться иконки.
Список опций основного блока
Нажимая на клавишу «3», переходят к нужному столбцу и задействуют опцию, используя кнопку «1». Чтобы опцию выключить, жмут кнопку «2». Указанным методом настройку сигнализации может производить сам владелец.
О том, как работает автозапуск, в тексте рассказывалось выше. Прошивкой сигналки используется значение, установленное в «будильнике» брелока. Однако никто не запрещает включить запуск по таймеру либо по значениям температуры. Сложнее понять, как использовать режим иммобилайзера.
К сигналке подключено блокирующее реле
Существует две альтернативных возможности:
- Вы задействуете автоматический переход в режим охраны (иконка «Авто»);
- Вместо указанного выше, можно задействовать автоматическое включение режима иммобилайзера, что также является хорошим способом защитить авто.
Допустим, используется второй вариант. Владелец, открыв дверь автомобиля, должен будет отключать защиту вручную (нажатием на клавишу «3»). А иначе запустить двигатель у него не получится.
Собственно, автоматическое включение иммобилайзера использовать необязательно, так же, как автоматический переход к охранному режиму. Тогда реле, показанное на схеме, будет удерживать контакты замкнутыми все время. Но если владелец решит, что автоматика должна выполнять свои функции, настройку сигнализации производят, как рассмотрено выше.
Заметим, что вручную можно не только отключать, но и задействовать режим иммобилайзера в сигналке, причем в любое время. Для этого используется клавиша «3», если говорить об оборудовании фирмы Starline. Удачного программирования!
Вся инструкция на видео

Оценка статьи:
autolocked.ru
Особенности подключения сигнализации с автозапуском
Автозапуск мотора является полезной опцией, в особенности для регионов с суровым климатом. Но прежде чем приступать к монтажу, нужно знать, что возможен конфликт общей системы сигнализации и системы автозапуска. Однако такие ситуации возникают только в том случае, если интеграция этих систем была выполнена не совсем корректно. Если предусмотрено подключение, минуя штатный иммобилайзер, то конфликтовать системы не будут. Важным моментом является то, что при автозапуске двигателя противоугонная система отключается и автомобиль защищён только механическими замками. Чтобы дополнительно защитить машину, устанавливают микродатчики, принцип действия которых основан на реагировании движения около автомобиля. В зависимости от датчика радиус действия может быть разным. Установка таких элементов, с одной стороны, обеспечивает безопасность, а с другой — добавляет нервозности (в зависимости от конкретного элемента), поскольку сигнализация будет реагировать как на пробегающую мимо собаку, так и на прохожих.
При установке сигнализации с автозапуском возможен конфликт между системой автозапуска и самой сигнализацией, поэтому важен опыт в работе с такими устройствами
Стоит отметить, что установка противоугонной системы с автозапуском является сложным процессом. Если нет достаточного опыта по монтажу таких устройств, то лучше не браться за это дело. Возможны такие ситуации, когда подсел аккумулятор, педаль газа находится в неправильном положении либо на коробке включена передача, тогда двигатель попросту не запустится. Несмотря на то что в комплекте с такой сигнализацией прилагается схема и инструкция, в процессе монтажа возможны некоторые нюансы, с которыми может разобраться только знающий человек.




