Не работает звуковой сигнал на авто: причины, диагностика и ремонт
Не работает клаксон сигнала на авто! Устраняем причину неполадки «AVTO CLASS»
Клаксон (звуковой сигнал) относится к одному из элементов безопасности, которым оборудуется каждый автомобиль.
Само устройство должно быть в работоспособном состоянии, чтобы дать возможность автовладельцу подать сигнал другим водителям, информировать о своем приближении и даже предотвратить аварию.
Как быть в ситуации, когда не работает звуковой сигнал? По какому алгоритму производить его подключение, после ремонтных работ? Рассмотрим эти моменты подробно в статье.
Устройство клаксона
Для начала, разберемся с устройством звукового сигнала машины. В его схему входят следующие элементы — якорь (1 и 15), стержень (2), регулировочная (3) и контрящая (4) гайки, два вольфрамовых контакта (5 и 6), а также сердечник (8).
Кроме того, в состав клаксона входит конденсатор (7), корпус — 9 (именно в нем собраны все элементы), обмотка (13), кнопка активации (находится на рулевом колесе) — 10, резонансный диск (11) и мембрана (12).
Работоспособность устройства обеспечивают еще ряд элементов — обмотка (13), контакт реле (14), сигналы (17), обмотка реле (16) и еще один якорь (15). Не работает,не гудит звуковой сигнал(бибикалка). Причины.Схема.Разбираемся))
После нажатия на кнопку управления, ток начинает протекать через обмотку, благодаря чему происходит намагничивание сердечника и подтягивание якоря. Вместе с последним, происходит перемещение стержня, который прогибает мембрану.
Далее, благодаря гайке, контактная группа размыкается, а электрическая цепь разрывается. После этого, элементы клаксона, такие как якорь, стержень, диск и другие, возвращаются в первоначальную позицию. При этом, снова происходит замыкание контактов и поступление тока в обмотку.
Размыкание контактов происходит после нажатия на кнопку клаксона. где установлен звуковой сигнал
Самые частые неисправности — признаки и причины
Как определить, что не работает клаксон? Для этого необходимо знать признаки неисправности устройства. К таковым можно отнести:
Отказ звукового сигнала. В этом случае, водитель нажимает на кнопку, расположенную на рулевом колесе, но ничего не происходит. Периодическое срабатывание. Бывают ситуации, когда клаксон сначала выдает звук, но, через некоторое время, он пропадает.
Теперь рассмотрим причины, почему на автомобиле не работает звуковой сигнал:
Перегорел предохранитель, который находится в специальном блоке (под капотом или в салоне машины). Если причина неисправности в этом, то проблема решается путем замены вставки плавкой. Стоит помнить, что клаксон питается не только через предохранитель, но и через реле. Вышел из строя сам клаксон.
Если замена предохранителя не дала результатов, требуется проверить исправность самого гудка. Для решения задачи, устройство необходимо снять и подать на него питание — непосредственно от аккумулятора автомобиля. Если клаксон исправен, он обязательно подаст сигнал.Короткое замыкание в электрической цепи.
Причиной, почему не работает звуковой сигнал, может быть замыкание в питающей цепи устройства. В этом случае, начните с проверки предохранительного гнезда. Бывают ситуации, когда клаксон неправильно работает, из-за нарушения целостности цепи или утечки тока. Износ контактного кольца на руле. Износ прижимных контактов на рулевой колонке.
Две последние проблемы характерны для отечественных машин. Продолжительная эксплуатация приводит к постепенному истиранию пружин. В результате, импульс не может пройти от кнопки к гудку. Окисление контактов. Если не работает клаксон, стоит проверить контактную группу, на наличие ржавчины и прочих отложений.
Такие проблемы возможны, в случае длительной эксплуатации автомобиля. В результате, команда активации звукового сигнала передается с перебоями или не поступает вовсе. Перегорание обмотки клаксона. Повреждение лепестка контактов под рулевой ступицей. При такой неисправности, стоит искать причину в заедании нажимной стойки.
Отключение клеммы на сигнальном элементе или нарушение качества электрического контакта. Обрыв шлейфа на рулевом колесе машины, оборудованной подушкой безопасности.
Как диагностировать и отремонтировать сигнал
Проверка и ремонт производятся в следующей последовательности.
Убедитесь в целостности предохранителя и работоспособности реле. Для этого, найдите предохранительный блок и произведите осмотр.
Точную схему можно найти в технической документации, но чаще всего предохранительное устройство находится в упомянутом блоке или приборной панели.
Как только будет узел найден, обратите внимание на внешнюю сторону крышки, что поможет найти необходимый предохранитель.
Для проверки исправности устройства, используйте мультиметр. С его помощью, проще всего определить, почему не работает клаксон.
Поставьте на приборе режим измерения сопротивления с «пищалкой» (при наличии такой функции).
Если под рукой имеется только аналоговый мультиметр, то перед диагностикой откалибруйте тестер, для чего перемкните его щупы и, с помощью регулятора, подведите стрелку к нулевой отметке.
Теперь коснитесь щупами контактов предохранителя. Если вставка плавка целая, то на дисплее прибора отображается число «0». В случае, когда мультиметр показывает бесконечность или какое-то сопротивление, предохранитель вышел из строя. Решением проблемы является установка новой вставки плавкой.
Если предохранитель оказался исправным, найдите блок реле, расположенный в подкапотном пространстве или в салоне машины. Если возникли сложности с поиском, воспользуйтесь мануалом к автомобилю. Как правило, реле находится вместе с предохранителями в одном блоке.
Наиболее простой путь — проверить работоспособность реле, посредством замены устройства местами с аналогичной деталью. Чаще всего, установленные реле являются взаимозаменяемыми.
Если после замены, звуковой сигнал начал работать, то можно делать вывод о выходе из строя реле.
Проверка выключателя рулевого гудка
Для выполнения этой работы, также потребуется тестер. Отсутствие напряжения на кнопке свидетельствует о неисправности.
Проверка переключателя реле


УСТАНОВКА ЗВУКОВОГО СИГНАЛА
Согласно нормативам ГОСТа, не существует точных характеристик, которые относились бы к сигналам. Но если на автомобиле сигнал находится в неисправном состоянии или отсутствует вообще, то данный факт считается полным нарушением, за что водитель может быть привлечен к определенному виду ответственности. Этот факт обязывает всех водителей иметь на своем транспортном средстве исправное звуковое устройство.
Согласно последним правилам и положениям, нормированию подлежат гудки высокой частоты, которая должна находиться на определенном уровне. В большинстве случаев данная частота должна быть постоянной. Если на транспортном средстве установлен достаточно громкий или слишком тихий сигнал, то это может доставлять много неприятностей не только пешеходам, но и самому водителю.
В большинстве случаев звуковые гудки имеют частоту звучания, находящуюся в диапазоне от 320 до 440 Гц. Причиной этому является сила звука гудка, воздействующего на орган слуха человека. Именно данный диапазон громкости является наиболее оптимальным. Слишком громкий звуковой сигнал автомобиля может напугать прохожего или вывести его из состояния равновесия. При слабом сигнале автомобиля возникает серьезный риск для жизни пешеходов.
Если Вам хочется установить в своем транспортном средстве многоголосые гудки, то стоит позаботиться о наличии хорошей звукоизоляции Вашего автомобиля. Иначе от собственного звукового гудка авто придется страдать в первую очередь Вам. Приобретая желаемый гудок для своей машины. Обязательно удостоверьтесь, сможет ли аккумулятор выдержать нагрузку данного устройства. В противном случае Ваша покупка будет бессмысленной или негативно отразится на сроке эксплуатации аккумулятора. В идеале мощность данного устройства должна быть выше мощности сигнального гудка.
Есть еще один очень важный момент, который касается размеров сигнальной системы. Для дисковых сигналов, защищённых собственной решёткой, характерна установка снаружи, в отличие от «улиток», которые к данному виду установки не приспособлены. Учитывая эти детали, водитель должен рассчитывать объем внутреннего пространства, который находится под капотом.
Приобретая автомобильный сигнал в специализированном магазине, к нему обязательно прилагается подробная инструкция по установке. Разобравшись в ней, автолюбитель сможет самостоятельно установить гудок на свою машину. К тому же, большинство сигнальных гудков имеют одинаковый принцип установок. Это очень удобно и не доставляет автолюбителям лишних хлопот по данному поводу.
Согласно теории, гудок присоединяют в устройство автомобиля посредством имеющегося в нем реле либо через прерыватель, имеющий источник тока. Проектировщики транспортных средств предусмотрели момент движения электронов при подаче тока, связанных с особой «массой». Рядом с такой массой и располагается кнопка включающая сигнал. Поблизости с ними находится и само устройство. Таким образом гудок крепится к транспортному средству.
Источник
Звуковой сигнал на авто: принцип работы,виды,установка,неисправности
Принцип работы
Принцип работы автомобильных сигналов основан на циклическом замыкании и размыкании контактов. При этом происходит колебание мембраны. Громкость, тон и сила потребляемого тока определяются зазором между якорем (подвижным контактом) и сердечником (неподвижным контактом).
В зависимости от потребляемого тока сигналы могут включаться непосредственно включателем или через реле. Звуковые сигналы в автомобиле бывают безрупорными (шумовыми) или рупорными (тональными). Комплект звуковых сигналов включает шумовые и тональные сигналы, настроенные на совместную работу.
Основное назначение звукового сигнала – обратить на себя внимание других участников движения, особенно, когда не хватает видимости.
Звуковой сигнал вибрационного типа, безрупорный. Включатель с кольцевой кнопкой установлен на рулевом колесе. На автомобиле ВАЗ-2101 устанавливаются два сигнала — низкого и высокого тона. Сигнал состоит из корпуса, электромагнита 3, якорька 4, контактов 6, мембраны 7 и резонаторного диска 5.
При нажатии на кнопку замыкается электрическая цепь, и ток из аккумуляторной батареи поступает по замкнутым контактам 6 в обмотку электромагнита 3. При этом электромагнит притягивает якорек 4, который прогибает мембрану 7 и одновременно размыкает контакты 6.
На что обращать внимание при выборе?
В ПДД сказано, что в пределах города гудком можно пользоваться только в исключительных случаях. Приобретая мощный многочастотный гудок, следует подумать о качественной звукоизоляции салона.
Врачи не рекомендуют использовать сигнальное устройство, у которого частота превышает 440 Гц.
Выбирая сигнал машины, нужно учитывать следующие факторы:
- Зарядки аккумулятора должно хватить для обслуживания таких устройств. Если установить несколько гудков, АКБ быстро разрядится.
- При покупке клаксона следует уточнить у продавца о необходимости приобретения компрессора или подключения сигналки к питанию.
- Если вы хотите, чтобы электрический звуковой сигнал издавал басистые звуки, то нужно покупать низкочастотные устройства. При желании иметь более тонкие звуки, клаксоны следует покупать с высокими частотами.
- Покупая гудок, нужно помнить, что напряжение на грузовых автомобилях составляет 24 В, а на легковых – 12В.
При покупке сигнала на авто нужно помнить, что нельзя использовать сигнальные устройства от спецмашин, крякалки и сирены, это запрещено.
Цена вопроса
Стоимость автомобильного сигнала определяют следующие параметры: мощность звука, тип устройства, диапазон частот и число сигналов. Зависит цена и от региона проживания. Простое устройство может обойтись автовладельцу в 500 рублей, для желающих иметь индивидуальный качественный гудок цена может составлять и 50 000 рублей, а, может и больше. В этом деле все зависит от пожеланий и возможностей автомобилиста.
Рекомендуем: Выбираем тройник в прикуриватель автомобиля
Ремонт и эксплуатация автомобиля Ваз 2108 2109 21099
Звуковой сигнал Ваз 2108 2109 21099 напрямую связан с безопасностью вождения автомобиля, так как с помощью него водитель контактирует с другими участниками дорожного движения. Поэтому звуковой сигнал должен быть исправен всегда.
Выключатель звукового сигнала на руле
Но часто бывает, что он не работает. Давайте рассмотрим возможные причины: 1) Сгорел предохранитель F8 (в зависимости от типа монтажного блока может отличаться) в монтажном блоке. 2) Неисправно реле К8 (в зависимости от типа монтажного блока может отличаться) в монтажном блоке. 3) Неисправен сам звуковой сигнал.
Как выбирать сигналы для машины
Магазины запчастей для авто предлагают огромный выбор различных клаксонов, в том числе подобранных под определенную мелодию. Определившись с тональностью, музыкальностью и громкостью сигнала, обрисуйте свои пожелания продавцу. Он подскажет, какой клаксон лучше других соответствует вашим пожеланиям. В большинстве случаев что иностранные, что российские гудки по качеству и надежности одинаковы, однако последние немного дешевле.
Решая, какой гудок поставить своими руками, подумайте, влезет ли он в подкапотное пространство вашей машины, и сможете вы подключить его самостоятельно.
Многотональный гудок обладает большими габаритами, поэтому пристроить его в моторном отсеке маленького авто очень сложно. Если же вы решили ставить «паровозный» или «тепловозный» воздушный гудок, то подумайте, достаточно ли ваше авто звукоизолировано? Ведь такие устройства производят очень громкий звук, часть которого распространяется во все стороны.
Самостоятельная установка звуковых сигналов
Перед началом установки нового звукового сигнала своими руками, найдите электрическую схему вашего автомобиля. Если вы решили поставить новый звуковой сигнал вместо старого, то достаточно снять клеммы с одного устройства, затем надеть на другое. Для некоторых воздушных гудков придется своими руками подключить компрессор к аккумулятору авто.
Для подключения сигнала, оповещающего о включении заднего хода, необходимо найти провод, соединяющий датчик заднего хода и сигнальный фонарь.
Гудок прочно крепите своими руками к корпусу автомобиля с помощью болтов и гаек. Если устройство будет плохо закреплено, велика вероятность обрыва провода и последующего замыкания. В результате вы не сможете подать сигнал водителями или пешеходом в критической ситуации. Монтируя своими руками «тепловозный», многотональный или другой мощный и громкий гудок, устанавливайте его так, чтобы раструб был направлен вперед. Не устанавливайте раструб вбок, это снизит эффективность сигнала и усилит его звучание в салоне.
Установка сигнала своими руками потребует определенного вмешательства в проводку автомобиля, поэтому все соединения пропаивайте, не делайте временных скруток. Если невозможно пропаять соединение, используйте стальные клипсы, которыми обжимают провода. Установка своими руками должна проводиться в два этапа: монтаж гудка и подключение к проводке. Не перепутайте порядок действий. Если вы сначала проложите проводник, а затем станете искать место для звукового сигнала, то велика вероятность, что провода не хватит и придется наращивать его, а это не добавит надежности. Подключая сигнал к датчику заднего хода, обязательно используйте реле. В противном случае большой ток, который потребляет гудок, повредит датчик заднего хода.
Рекомендуем: Лучшие антирадары для автомобиля
Звуковой сигнал не работает • МОЙМЕХАНИК.РФ
Звуковой сигнал в автомобиле – это элемент, которым водитель может не пользоваться достаточно долгий промежуток времени (в этом просто не будет необходимости).
И однажды, столкнувшись с ситуацией, требующей его эксплуатации, водитель может вдруг обнаружить, что звуковой сигнал авто не работает или дымит двигатель сизым дымом. Причины знает только автомеханик.
Это не просто малоприятный факт, но и в разных ситуациях он может привести к самым непредсказуемым последствиям, ведь при помощи звукового сигнала водитель оповещает о приближении автомобиля, потенциальной опасности и т.п.
Чтобы избежать подобных неприятностей, не так и сложно каждый день при отъезде от дома проверять его работу, просигналив один-два раза. И все же, рассмотрим основные причины, по которым звуковой сигнал машины может не работать.
Имейте ввиду
Можно назвать целый ряд ситуаций и факторов, из-за которых звуковой сигнал авто может выйти из строя и перестать нормально работать. Наиболее распространенные среди них:
Чтобы понять, как нужно исправлять возникшие неполадки, нужно знать, как работает звуковой сигнал автомобиля.
Поэтому если вы сами не разбираетесь в нюансах и тонкостях работы этого элемента, то не стоит экспериментировать, лучше доверить процесс диагностики и устранения неполадок профильным специалистам.
Всем, кто столкнулся с подобной проблемой и требует помощи, свои услуги готовы предложить мастера из сервиса «Мой механик».
Наши рекомендации
Неисправности в работе звукового сигнала определяются, как правило, в момент, когда он крайне необходим. И если вы столкнулись с такой проблемой, не стоит затягивать поход в автосервис. И хотя на езду автомобиля и безопасность в процессе вождения непосредственным образом звуковой сигнал не влияет, он должен быть в исправном состоянии.
Ремонт звукового сигнала автомобиля
Звуковой сигнал автомобил
Схема работы звукового сигнала
Насколько это важно
Мастера из сервиса «Мой механик» знают как работает звуковой сигнал автомобиля и определяют возможные причины неполадок в работе звукового сигнала, следуя четким инструкциям работы: проверка предохранителя на целостность, исправность реле, целостность контактов, проверить перегревается двигатель или нет и т.п.
Иногда достаточно просто подтянуть винты на контактах, а иногда может понадобиться замена сигнала целиком. Лучше доверить процесс определения неисправности и ее устранения мастеру, тогда можно быть уверенным в том, что в следующий раз при необходимости сигнал вашего авто вас не подведет!
Признаки, указывающие на то, что вам нужна эта услуга
ВИДЫ ЗВУКОВЫХ СИГНАЛОВ ДЛЯ АВТОМОБИЛЕЙ
Все клаксоны можно условно разделить следующим образом:
Отличие между ними в том, что первые работают от сжатого воздуха, а вторые от электрического тока. Для воздушных клаксонов необходима установка компрессора и ресивера, ведь их нельзя просто подключить к аккумулятору или питающему проводу. Исключение составляют клаксоны со встроенным компрессором. На большинстве машин устанавливают клаксоны, работающие лишь в одной тональности. Если же однотональный звук не устраивает, то можно подключить высокочастотные и низкочастотные клаксоны с изменяемой тональностью. Также устанавливают несколько источников звука, чья тональность соответствует выбранной мелодии и включают их по определенному алгоритму.
На большинстве авто предусмотрена лишь световая индикация включения заднего хода, из-за чего водитель вынужден вручную подавать сигналы с помощью гудка. В конце 80-х годов прошлого века в СССР из Японии или Европы начали завозить автомобили с нестандартным звуковым оповещением о включении заднего хода. В качестве сигнала использовали мелодии или записанные высказывания типа «пожалуйста, осторожно, моя машина едет назад».
Правильно подключить сигнал авто
Главная > На компьютере > подключить > Правильно подключить сигнал авто
Рассмотрим универсальную схему устройства звукового сигнала автомобиля:
В соответствии со схемой подключения, когда водитель жмет на кнопку управления, через обмотку начинает проходить ток, который в итоге намагничивает сердечник, в свою очередь притягивающий якорь.
С этим якорем начинает перемещаться и стержень, прогибающий мембрану, а благодаря гайке происходит размыкание контактов, что способствует прерыванию электроцепи. Все элементы, в частности, диск, стержень, якорь и прочие, посредством пружины и мембраны возвращаются в начальное положение.
При этом контакты смыкаются, что опять приводит к прохождению тока через обмотку. Процесс размыкания контактов осуществляется при нажатии на клавишу клаксона на руле (автор видео — канал pribambas sender).
Возможные неисправности: признаки и причины
По каким признакам можно определить, что автомобильный клаксон нуждается в ремонте:
Что касается причин, из-за которых устройство может выйти из строя, то их множество:
Диагностика и ремонт сигнала своими руками
Проверка с ремонтом выполняются так:
Для публикации сообщений создайте учётную запись или авторизуйтесь
В большинстве случаев они однотональные и очень тихие, и их звучанием можно спугнуть разве что воробья, а не привлечь внимание других участников дорожного движения.
Все надежно изолируем. Даже есть готовые колодки под реле с проводами. Поэтому все же решил поставить сигнал от ГАЗ.
В большинстве случаев они однотональные и очень тихие, и их звучанием можно спугнуть разве что воробья, а не привлечь внимание других участников дорожного движения. Если вам это принципиально то можно поставить у аккумулятора ещё одно реле которое будет включать питание при включении зажигания или устанавливать реле управления сигналами радом с аккумулятором и питающий провод будет максимально коротким.
Поломка самого клаксона. Бери и подключай.
В итоге на экране тестера должны быть продемонстрированы числа — при их наличии проводка целая. Вот, например, недавно отдал человеку сделанный автомобиль, и со временем у него перестал работать сигнал.
Если у вас появились подозрения касательно исправности электроцепи, нужно произвести проверку заземления контура, а также величину напряжения и тока. Если с кнопки идёт «минус» то можно смело контакты 30 и 86 запитывать вместе от аккумулятора, но не забывая что на контакты 30 и 87 провода должны быть соответствующего сечения для питания сигналов, а на управление реле можно даже «лапшу» зацепить.
Теперь издаваемый звук похож на рев носорога во время «гона». При такой проблеме работу клаксона можно будет восстановить, поскольку она не нарушена. Лишнее реле, появившееся в машине. Перегорела обмотка гудка. Все элементы, в частности, диск, стержень, якорь и прочие, посредством пружины и мембраны возвращаются в начальное положение.
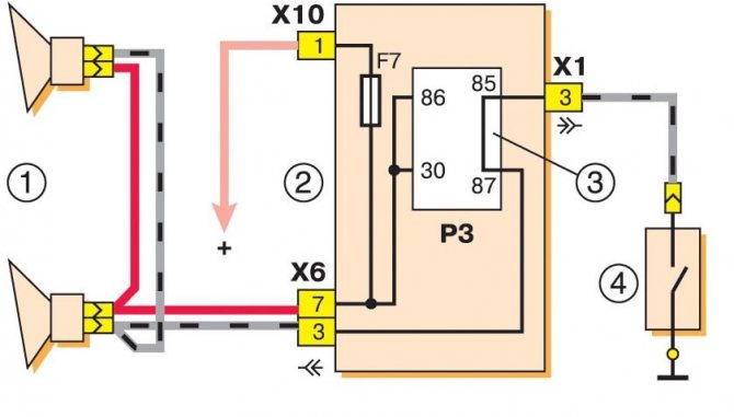
Он самый Установил все к заводской проводке, поездил пару дней и понял, что так не пойдет. Поэтому, через кнопку салона подключаем управляющие провода на реле, а прямой плюс к потребителю, в нашем случае сигналу. Питание подключил в цепь штатного сигнала, там стоит предохранитель на 16А, кроме сигнала от этого предохранителя питаются задние стоп-сигналы и плафоны освещения салона все это у меня на светодиодах. Что получаем после все этого? как подключить сигнал через реле
Источник
Комментарии 54
Можно подключить и так как ты написал только тогда сигнал будет работать и без включения зажигания в положение АСС
Что то схема не логичная ведь 85 и 86 контакты должны быть управляющими то есть под управление малым током а 30 и 86 по большой ток то есть под нагрузку
я ставил воздушный. предохранитель родной сгорел, поставил помощнее и все работает. дополнительного реле никакого не ставил, т.к. родное реле с завода стоит
А проводка выдержит?
думаю да. сигналю же не больше пары секунд, не успеет даже нагреться
Можно, если управление штатным сигналом идет по минусу.
Либо так, как sanya05 поправил, либо если плюсом управляется, то можно 85 и 87 соединить.
Не работает звуковой сигнал ВАЗ
Не работает звуковой сигнал ВАЗ
Опубликовано: 9 сентября 2015 г.
Неработающий звуковой сигнал на автомобиле – очень опасная неисправность. Самое неприятное, что узнают об этой поломке как раз тогда, когда сигнал нужен больше всего – в опасной ситуации на дороге. Из-за чего может отказать сигнал?
Существует несколько причин, по которым звуковой сигнал может перестать работать. Почти все они электрические и подразумевают простое отсутствие контакта там, где он должен быть. Пройдемся по всем:
Сгорел предохранитель звукового сигнала
Самая первая и легкая проверка, которую можно выполнить при неработающем звуковом сигнале – целостность предохранителя. Если он оказался сгоревшим, значит в машине возможно наличие короткого замыкания.
Попробуйте вставить целый предохранитель, соответствующий номиналу (Как выбрать предохранитель. Цвета и номиналы ). Если он так же сгорит, значит, короткое замыкание реально присутствует.
Если нет, то возможно предохранитель просто исчерпал свой ресурс и стоит обратить внимание на другие причины.
Не работает кнопка звукового сигнала
Сигнал в большинстве автомобилей включается кнопкой в центре руля. Встречаются вариации с кнопкой в подрулевом выключателе или определенным положением этого самого выключателя, но это редкость.
Неисправности звукового сигнала
| Не работают звуковые сигналы | Устранение неисправности |
| а) Перегорел предохранитель. | Заменить предохранитель, предварительно устранить причину перегорания предохранителя. |
| б) Обрыв цепи в схеме звуковых сигналов: окислены или разъединены наконечники проводов в разъемных соединениях, повреждены провода. | Проверить последовательно наличие цепи в разъемных соединениях согласно схеме включения звуковых сигналов |
| в) Окисление, загрязнение контактного кольца на рулевом колесе. | При замыкании контактной пластины центрального переключателя на «массу» звуковые сигналы работают. Зачистить контактное кольцо, отрегулировать. |
| г) Перекос арматуры рулевого колеса, накладки сигнальной кнопки или не отрегулирован зазор включения звуковых сигналов. | При замыкании контактной пластины центрального переключателя на «массу» звуковые сигналы работают. Зачистить контактное кольцо, отрегулировать. Заменить поврежденные детали, отогнуть накладку рулевого колеса, отрегулировать. |
| д) Отогнута пластина включателя звуковых сигналов центрального переключателя или ее излом. | При замыкании контактной пластины центрального переключателя на «массу» звуковые сигналы работают. Зачистить контактное кольцо, отрегулировать. Отогнуть пластину или заменить центральный переключатель. |
| е) Не работает реле включения звуковых сигналов. | Проверить реле на работоспособность,в случае поломки заменить аналогичным |
| ж) Неправильно установлена перемычка в месте установки реле включения звуковых сигналов на монтажном блоке. | Проверить и установить правильно перемычку: на блоке. |
| и) Обрыв цепи монтажного блока : перегорание дорожек, ложная пайка. | Проверить цепь согласно схеме монтажного блока. Заменить монтажный блок. |
| к) Не работает звуковой сигнал: разрегулировка, обрыв цепи обмотки катушки, отпадание «таблетки» контакта, попадание влаги. | Отрегулировать или заменить звуковой сигнал. При регулировке сигнала винтом возможно постоянное замыкание контактов и перегорание предохранителя. |
| Некачественное звучание звуковых сигналов | Устранение неисправности |
| а) Неисправность звуковых сигналов: разрегулировка, трещина мембраны. | Отрегулировать сигналы или заменить. |




